Nội dung bài viết
Tủ điện MSB là hệ thống tủ điện có nhiệm vụ bảo vệ, chuyển mạch điện chính sang mạch nhánh và phụ tải. Đây là loại tủ điện công nghiệp quan trọng nhất trong hệ thống. Tham khảo cấu tạo, tiêu chuẩn kỹ thuật và ứng dụng của tủ MSB qua bài viết sau.
Tủ điện MSB là gì?
Tủ điện phân phối chính (MSB) là tủ điện phân phối chính có chức năng chính là đóng cắt và bảo vệ an toàn điện cho toàn bộ tải. Vị trí tủ MSB nằm ngay phía sau các trạm biến áp hạ thế (chuyển nguồn 6kV – 35kV về 380VAC – 690VAC) và phía trước các tủ phân phối MDB, DB.

MSB là “trái tim” của toàn bộ hệ thống, là nơi tiếp nhận và phân phối điện từ nguồn đến tủ phân phối và đến phụ tải. MSB xác định các rủi ro về nguồn điện như mất pha, sụt áp, quá áp và có thể ngắt điện ngay lập tức để tránh hư hỏng phía phụ tải.
Cấu tạo tủ điện MSB
Cấu tạo của tủ điện MSB gồm 2 phần: vỏ tủ và các thiết bị điện đi kèm. Vỏ tủ MSB thường được sản xuất từ tôn tôn sơn tĩnh điện hoặc thép mạ kẽm sơn tĩnh điện. Tủ có kích thước (hình thức) đa dạng, hình chữ nhật và dọc. Mẫu tủ chung MSB thường được sử dụng cho các nhà máy hoặc tòa nhà lớn là mẫu 3B.

Tủ điện MSB được chia thành các ngăn (module) tương ứng với từng cánh cửa. Một ngăn tủ không được phép chia hoặc chia thành nhiều ngăn cho mỗi cụm thiết bị. Các ngăn có chức năng riêng biệt như ngăn đựng công tắc chính ACB, ngăn đựng công tắc nhánh MCB và MCCB, ngăn để thanh đồng, ngăn để bình ngưng – cuộn kháng, ngăn truyền tải điện tự động ATS, ngăn thu tín hiệu điều khiển… Tổng số ngăn phụ thuộc vào yêu cầu kỹ thuật và quy mô của hệ thống điện.
Các thông số kỹ thuật chính của tủ tổng MSB:
- Tiêu chuẩn chất lượng: IEC 60439-1, IEC 60529
- Dòng ngắn mạch tối đa: Không vượt quá 100kA
- Điện áp định mức: 380V
- Điện áp tải: 220V – 380V
- Tần số hoạt động: 50/60Hz
- Cấp độ bảo vệ: IP20, IP43, IP54, IP55
- Số nguồn chuyển đổi: 2
- Số pha vận hành: 3
Các thông số khác được thiết kế tùy theo yêu cầu kỹ thuật.
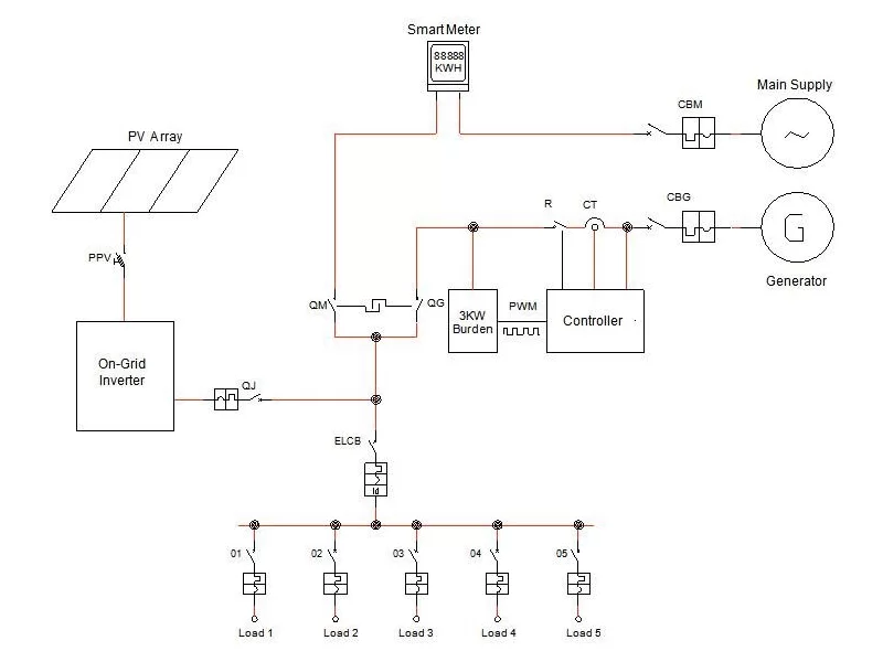
Sơ đồ nguyên lý tủ MSB
Tùy thuộc vào thông số tủ MSB và ứng dụng thực tế mà việc thiết lập sơ đồ nguyên lý sẽ khác nhau. Dưới đây là ví dụ về sơ đồ nguyên lý tủ MSB trong hệ thống điện 5 nhánh:

Ứng dụng thực tế của tủ điện MSB
Tủ điện MSB được sử dụng trong mạng điện hạ thế, trong các công trình công nghiệp và dân dụng như nhà máy, nhà xưởng, trung tâm thương mại, cao ốc văn phòng, chung cư, trường học, bệnh viện, sân bay, nhà ga,…

Lưu ý vị trí đặt tủ MSB nên gần trạm biến áp hạ thế để thuận tiện nhận điện từ lưới. Vị trí này cần phải ở trong nhà, khô ráo, thoáng mát, hạn chế ánh nắng trực tiếp hoặc bụi bẩn, hóa chất, mưa,… Không gian phía trước loại tủ điện công nghiệp này cần đủ rộng rãi để thuận tiện cho việc bảo trì.
Lưu ý trước khi vận hành tủ MSB
Trước khi đóng điện tủ MSB hoặc đóng điện sau khi khắc phục sự cố cần đo cách điện đảm bảo hệ số điện trở > 5MΩ mới đủ tiêu chuẩn đóng điện. Trình tự cấp điện là từ đầu vào đến đầu ra. Khi máy biến áp không mang tải, không được phép đóng các mức tụ điện bằng tay.

Hướng dẫn kiểm tra tủ điện MSB trước khi đóng điện:
- Loại bỏ các vật nguy hiểm: dây sắt vụn, giấy vụn, bu lông, ốc vít, bụi cát, sỏi, dụng cụ điện, v.v.
- Hút bụi nhẹ toàn bộ tủ
- Kiểm tra hoạt động của mạch điều khiển
- Cấp nguồn và chạy thử mạch theo logic trên hình vẽ
- Kiểm tra khả năng cách nhiệt tất cả các ngăn của tủ
- Khi đo cách điện, điện áp hệ thống tối thiểu phải là 500 VDC
- Ngắt kết nối tất cả các thiết bị chuyển mạch chính như ACB, MCCB, cầu chì trước khi đo. Trường hợp điện trở thấp, phơi khô tủ trong 24 giờ và đo lại
- Kiểm tra tiếp xúc giữa các bộ phận dẫn điện khác nhau trong tủ
- Kiểm tra độ tin cậy của các điểm cơ, kết nối điện và thiết bị
Ở một số nước, tủ MSB có cấu tạo và chức năng tương tự tủ MDB
Lựa chọn thiết bị điện KTH ELECTRIC cho tủ điện MSB
KTH ELECTRIC là nhà thầu phụ chuyên cung cấp thiết bị điện công nghiệp cho tủ điện MSB và các hệ thống tủ điện công nghiệp khác cho các công trình công nghiệp và dân dụng tại Việt Nam. Các sản phẩm thương hiệu KTH ELECTRIC đặt trong tủ MSB bao gồm ACB, MCCB, MCB, contactor, bộ chuyển đổi nguồn ATS, bộ điều khiển ATS, tụ điện, cuộn kháng,… Tất cả mã sản phẩm đều được sản xuất theo tiêu chuẩn IEC, EN và được chứng nhận bởi phòng thí nghiệm Underwriters, Intertek và Dekra. Tham khảo: Tủ phân phối tổng hợp MSB – KTH ELECTRIC

Tham khảo các sản phẩm điện công nghiệp tiêu chuẩn Châu Âu của KTH ELECTRIC tại https://btb-electric.com/vi/san-pham/

Nội dung được phát triển bởi đội ngũ truonglehongphong.edu.vn với mục đích chia sẻ và tăng trải nghiệm khách hàng. Mọi ý kiến đóng góp xin vui lòng liên hệ tổng đài chăm sóc: 1900 0000 hoặc email: hotro@truonglehongphong.edu.vn