Tụ bù hạ thế là gì? Cấu tạo, chức năng và sơ đồ đấu nối

Tụ điện hạ thế có vai trò đảm bảo sự ổn định của hệ thống điện hạ áp trong quá trình vận hành, được sử dụng trong các mạch dân dụng và sản xuất quy mô từ nhỏ đến lớn. Hãy cùng KTH ELECTRIC tìm hiểu vai trò của tụ điện hạ thế và tham khảo sơ đồ đấu dây để lắp đặt loại tụ này vào hệ thống.

Tụ điện hạ thế là gì? Cấu tạo của tụ điện hạ thế

Tụ điện hạ thế là loại tụ điện được nối vào hệ thống, thiết bị điện hạ áp có công suất cosφ thấp, nhằm mục đích nâng cao hiệu suất hoạt động của thiết bị và tiết kiệm chi phí điện năng. Mục đích sử dụng tụ điện hạ thế là để giảm công suất phản kháng và tăng công suất cosφ. Tụ điện hạ thế là thành phần chính trong tủ tụ điện phản kháng giúp hệ thống hoạt động hiệu quả, an toàn và ổn định.

bạn bu ha the

Tụ điện hạ thế có hai dây dẫn nằm sát nhau, cách nhau một lớp cách điện, dùng để phóng điện hoặc tích trữ điện trong mạch. Cấu tạo bên trong của tụ điện hạ thế về cơ bản như sau: 2 cực (thường là 2 lá nhôm) đặt gần nhau, ngăn cách nhau bằng một lớp cách điện. 2 lá nhôm này nhô ra khỏi bề mặt tụ điện, tạo thành 2 tấm điện cực nối với nguồn điện. Bao quanh tụ điện là lớp vỏ được làm bằng hợp kim nhôm và nhựa.

Xem thêm  Ý nghĩa các thông số và ký hiệu trên MCCB

Cách tạo điện thoại di động

Hiệu quả khi sử dụng tụ điện hạ thế

Tụ điện hạ thế có nhiều tác dụng đối với hệ thống điện, mang lại lợi ích cả về hiệu quả lẫn chi phí vận hành.

Bù công suất phản kháng

Công suất phản kháng là nguồn điện vô dụng được tạo ra từ các thiết bị điện nhạy cảm như máy phát điện và trạm biến áp. Loại điện năng này ảnh hưởng tiêu cực đến mạch điện và làm tăng chi phí vận hành hệ thống điện.

thợ điện

Việc bù công suất phản kháng hoặc cải thiện hệ số cosφ giúp loại bỏ những rủi ro này bằng cách sử dụng dàn tụ điện. Cụ thể hơn, trong các hệ thống điện hạ áp như điện dân dụng và điện sản xuất, tụ điện hạ áp được sử dụng để tăng cosφ.

Giảm tổn thất đường truyền

Công suất trên đường dây truyền tải bao gồm công suất tác dụng (có ích) và công suất phản kháng (vô dụng). Công suất phản kháng càng lớn thì tổn thất đường dây truyền tải càng lớn. Sử dụng tụ điện hạ áp để bù công suất phản kháng, đưa cosφ về gần mốc 0,95, giảm tổn thất điện năng.

Giảm sụt áp

Công suất phản kháng gây sụt áp trên đường dây, bù đắp chênh lệch bằng cách lắp đặt các dàn tụ điện. Mặt khác, tụ điện có thể khắc phục được vấn đề động cơ hoặc thiết bị khởi động mà không bị sụt điện áp gây nóng hoặc cháy.

Xem thêm  Ngắn mạch là gì? Nguyên nhân và hướng dẫn phòng tránh

Đọc thêm: 3 cách kiểm tra dung lượng tụ điện đúng cách

Tiết kiệm chi phí điện

Trong hóa đơn tiền điện có mục Q là công suất phản kháng. Hệ số cosφ biểu thị công suất phản kháng nằm trong khoảng 0,92 – 0,95. Nếu hệ số này dưới 0,8, người sử dụng điện sẽ phải nộp phạt từ Tập đoàn Điện lực Việt Nam. Vì vậy, để tránh bị phạt phải đưa cosφ về mức thích hợp bằng cách sử dụng tụ điện hạ thế.

Các loại tụ điện hạ thế

Tụ điện hạ thế được phân loại theo điện áp và gồm 2 loại:

  • Tụ điện một pha được sử dụng cho mạng điện dân dụng 220V, bao gồm điện áp 230V và 250V.
  • Tụ điện 3 pha dùng cho mạng điện công nghiệp 380V, gồm các cấp điện áp 380V, 400V, 440V, 525V,…

img-khô-tụ-BDC4425M-2

Theo cấu tạo, tụ điện hạ thế bao gồm tụ dầu và tụ khô. Tụ dầu có dạng hình chữ nhật, có độ bền cao, thích hợp với các hệ thống bù công suất lớn, chất lượng điện năng kém. Tụ khô có hình tròn, nhỏ gọn, dễ lắp đặt và thay thế, chi phí đầu tư thấp.

Sơ đồ đấu nối tụ điện hạ thế

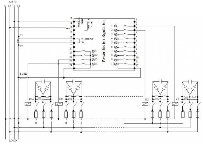
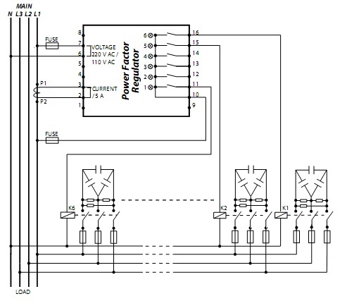
Tụ điện hạ thế dùng trong hệ thống điện hạ thế có hệ số cosφ thấp. Tham khảo hai sơ đồ kết nối sau:

  • Sơ đồ 1: Điện áp cấp vào rơle và tín hiệu dòng điện đặt cùng pha

số lý do nên khởi nghiệp 1

  • Sơ đồ 2: Điện áp rơle lấy từ 2 pha và tín hiệu dòng điện lấy từ 1 pha còn lại
Xem thêm  Hướng dẫn xử lý khi bếp từ bị nhảy aptomat

số lý do nên khởi nghiệp 2

Lưu ý vị trí đặt máy biến dòng: Máy biến dòng phải lắp đúng cực tính: dòng sơ cấp đi vào K và ra L. Cực L của máy biến dòng nối với cực K, L của rơle và tín hiệu dòng thứ cấp của cực K (mặc dù hầu hết rơle đều tự động chọn cực). Máy biến dòng đưa tín hiệu vào rơle điều khiển tụ điện phải bao gồm cả dòng điện tải và dòng điện qua tụ điện. Khi tủ điện hạ thế có nhiều xuất tuyến thì phải lắp đặt máy biến dòng tại cáp thông tin liên lạc.

Xem thêm: Tụ điện trung thế – Cấu tạo, ứng dụng và cách đấu nối

Lưu ý khi đấu nối và vận hành tụ điện hạ thế

Trước khi đóng điện cho tụ điện hạ thế cần kiểm tra kỹ các yếu tố sau để đảm bảo vận hành an toàn: Khoảng cách an toàn giữa các pha của tụ điện và giữa pha với đất phải tuân thủ các tiêu chuẩn kỹ thuật. Các mối nối dây phải được siết chặt để đảm bảo tiếp xúc tốt. Bề mặt tụ điện cần được làm sạch để tránh hiện tượng phóng điện. Tụ điện phải được nối đất chắc chắn và đặt ở vị trí ổn định trong tủ hoặc giá đỡ điện. Đối với tụ dầu cần kiểm tra cẩn thận để đảm bảo không có hiện tượng rò rỉ dầu.

Trong quá trình vận hành, người vận hành cần hiểu rõ nguyên nhân, dấu hiệu sự cố trên tụ điện hạ thế, làm cơ sở để phòng ngừa, sửa chữa, bảo trì. Khi tụ điện có dấu hiệu bất thường cần phải ngừng vận hành hệ thống. Khi kiểm tra tụ điện bạn nên đứng cách xa ít nhất 1,5m.

Tham khảo các dòng tụ điện khác qua các bài viết của Điện BTB.

Nội dung được phát triển bởi đội ngũ truonglehongphong.edu.vn với mục đích chia sẻ và tăng trải nghiệm khách hàng. Mọi ý kiến đóng góp xin vui lòng liên hệ tổng đài chăm sóc: 1900 0000 hoặc email: hotro@truonglehongphong.edu.vn

Để lại một bình luận

Email của bạn sẽ không được hiển thị công khai. Các trường bắt buộc được đánh dấu *