Nội dung bài viết
Hệ thống tủ ATS rất quan trọng trong mỗi nhà máy, dự án hay tòa nhà lớn, đóng vai trò đảm bảo cung cấp điện liên tục khi có sự cố mất điện lưới. Hệ thống tủ ATS ngày càng được tích hợp các thiết bị, công nghệ hiện đại, có khả năng vận hành tự động, là giải pháp tốt tránh thiệt hại về kinh tế khi có sự cố mất điện. Hãy cùng KTH ELECTRIC tìm hiểu về hệ thống tủ điện này trong bài viết dưới đây.
Tủ công tắc nguồn ATS là gì?
Tủ ATS là hệ thống tủ chuyển nguồn với ATS là thiết bị chính, có chức năng tự động chuyển đổi nguồn điện sang nguồn phụ khi nguồn điện chính gặp sự cố khiến nguồn điện đầu vào chập chờn, sụt áp hoặc mất điện. Hệ thống tủ điện này đảm bảo nguồn điện đầu vào ổn định cho hoạt động sinh hoạt, sản xuất, kinh doanh.

Tủ chuyển đổi nguồn ATS có 2 chế độ vận hành: bằng tay và tự động. Mặt trước tủ ATS bố trí các nút ấn, đèn báo, màn hình hiển thị LCD để người vận hành theo dõi, điều chỉnh hoạt động của tủ. Khi nguồn điện chính mất pha hoặc quá áp hoặc mất điện, tủ ATS sẽ tự động chuyển sang nhận nguồn điện phụ theo đã lập trình và ngắt nguồn điện chính. Khi nguồn điện chính được khôi phục, tủ ATS sẽ chọn lại nguồn điện chính.
Vì vậy, tủ ATS là một dòng tủ điều khiển điện Quan trọng ở những khu vực cần đảm bảo cung cấp điện liên tục. Trong thực tế, thời gian chuyển từ nguồn chính sang nguồn phụ khoảng 5 – 10 giây và thời gian chẩn đoán và chuyển ngược lại khoảng 10 – 30 giây.
Chức năng của tủ chuyển đổi nguồn ATS

Chức năng chính của tủ ATS là chuyển đổi nhanh nguồn điện sang phụ tải:
- Chuyển từ nguồn điện chính sang nguồn điện phụ trong trường hợp nguồn điện chính bị hỏng.
- Chuyển từ nguồn điện phụ sang nguồn điện chính khi nguồn điện chính ổn định trở lại.
- Bảo vệ tải khi nguồn điện gặp sự cố như mất điện, sụt áp, mất pha, quá áp,…
Ngoài ra, công tắc nguồn ATS có thể được lập trình để chuyển đổi nguồn điện giữa 2 nguồn dự phòng trong trường hợp nguồn dự phòng đầu tiên bị lỗi.
Nguyên lý hoạt động của tủ ATS
Khi lắp đặt, tủ công tắc nguồn ATS luôn được lắp đặt kèm theo một máy phát điện công nghiệp để luôn sẵn sàng cho các tình huống cần chuyển đổi nguồn điện. Nguyên lý hoạt động cơ bản của tủ ATS là giám sát hoạt động của nguồn điện chính và nhanh chóng chuyển sang sử dụng nguồn điện dự phòng khi nguồn chính gặp các lỗi: mất pha, quá áp, sụt áp, tần số khác mức cho phép, mất điện,…

Các bước để tủ điện ATS chuyển nguồn như sau:
- Bước 1: Khởi động động cơ máy phát điện (nguồn điện phụ) hoặc pin năng lượng mặt trời.
- Bước 2: Ngừng cấp nguồn điện chính cho tải.
- Bước 3: Đấu nối nguồn điện phụ vào tải.
Khi nguồn điện chính ổn định, quá trình truyền tải điện trên dòng tủ điện này sẽ tự động diễn ra ngược lại:
- Bước 1: Ngắt nguồn điện từ nguồn phụ vào tải.
- Bước 2: Đấu nối nguồn điện chính (nguồn điện chính) vào tải.
- Bước 3: Tạo tín hiệu dừng cho nguồn điện phụ và cho chạy không tải một lúc thì tắt nguồn điện phụ.
Đối với các tải không cần mất điện hoặc không mất điện quá lâu, hệ thống tủ điện ATS sẽ đảm bảo cho tải luôn được kết nối ít nhất với nguồn chính và 1 nguồn phụ. Ngoài ra, một số tủ ATS cao cấp còn được kết hợp với tủ đồng bộ cho nhiều máy phát điện (nguồn phụ), đảm bảo phụ tải luôn được cung cấp đủ công suất trong mọi trường hợp.
Xem thêm: Quy trình vận hành và hướng dẫn sử dụng tủ ATS
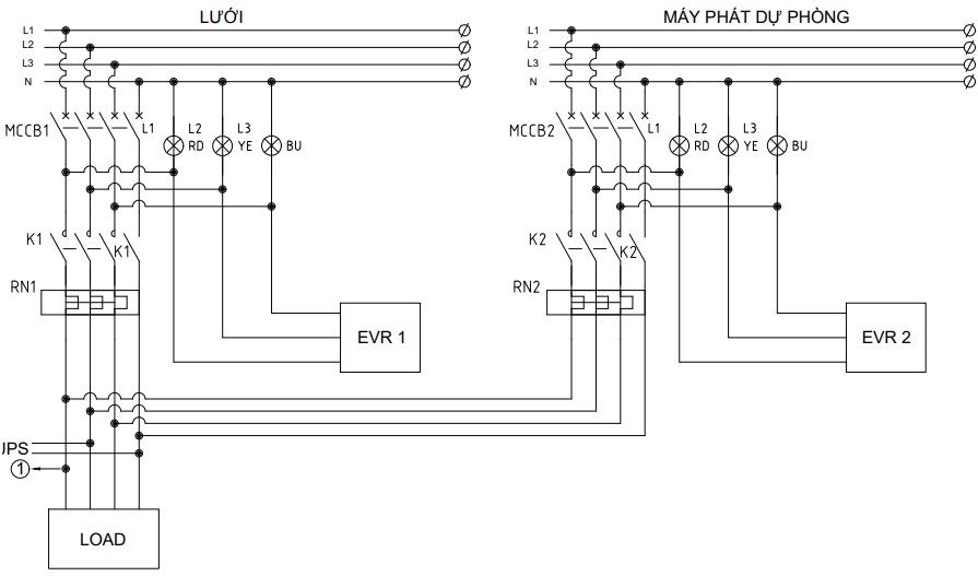
Cấu tạo tủ ATS
Tủ chuyển điện ATS được thiết kế dạng tủ hình hộp, vỏ ngoài được làm từ thép mạ kẽm sơn tĩnh điện. Kích thước tủ phụ thuộc vào công suất hoạt động và nhu cầu sử dụng. Bên trong tủ chuyển điện tự động ATS thường bao gồm các thiết bị sau:
Công suất, kích thước hoặc vị trí lắp đặt các thiết bị trong tủ điện ATS phụ thuộc vào sơ đồ lắp đặt có sẵn.
Tham khảo giải pháp thiết bị của chúng tôi: Tủ công tắc nguồn ATS – KTH ELECTRIC
Thông số kỹ thuật tủ chuyển mạch nguồn ATS
- Tiêu chuẩn chất lượng: IEC 61439-1&2, IEC/EN 60439-1
- Tiêu chuẩn hoàn thiện: RAL-7035
- Chất liệu vỏ tủ: Thép tấm mạ kẽm điện 1.5/2mm
- Bộ vi xử lý Điều khiển và bảo vệ tự động
- Giao tiếp: USB/RS485/Ethernet tùy chọn
- Chế độ vận hành: Tự động/Thủ công
- Điện áp hoạt động định mức: lên tới 690V
- Cấp độ bảo vệ: IP5x – IP65
- Tăng nhiệt độ tối đa: 50°C
Các loại tủ điện ATS hiện nay

Tủ công tắc nguồn ATS được phân loại theo thông số vận hành và số lượng nguồn điện kết nối:
- Tủ ATS 2 nguồn: Nối với nguồn điện lưới và nguồn máy phát điện, là loại phổ biến nhất hiện nay, được sử dụng trong các tòa nhà, nhà máy, công trình,…
- Tủ ATS có 2 nguồn điện chính độc lập và 1 nguồn điện phụ, sử dụng trong các khu công nghiệp lớn. Tủ ưu tiên sử dụng luân phiên 2 nguồn điện chính vì dây chuyền sản xuất chạy liên tục. Nguồn điện phụ chỉ dành cho văn phòng, điều khiển, phụ trợ,…
- Tủ ATS có 1 nguồn điện chính và 2 nguồn điện phụ.
- Tủ ATS có 1 nguồn điện năng lượng mặt trời (hoặc điện gió), 1 nguồn điện phụ trợ.
- Tủ ATS có 1 nguồn điện chính và 1 nguồn điện dự phòng UPS
Ngoài ra, tủ điện ATS còn được phân loại theo các cấp dòng điện như 100A, 250A, 400A, 630A, 800A, 1000A,… Đối với các tủ công suất nhỏ ưu tiên lựa chọn công tắc tơ và cầu dao. Tủ công suất lớn chọn MCCB để cho dòng điện lớn đi qua, tăng độ bền cho tủ.
Ứng dụng tủ công tắc nguồn ATS
4 chức năng quan trọng của tủ công tắc nguồn ATS được ứng dụng trong đời sống:
- Đảm bảo cung cấp điện liên tục cho các phụ tải, linh hoạt chuyển đổi nguồn điện giữa nguồn chính (điện lưới) và nguồn phụ (máy phát điện).
- Bảo vệ thiết bị và phụ tải hệ thống điện do mất điện
- Tiết kiệm năng lượng cho máy phát điện (nguồn phụ) khi có điện lưới trở lại
- Giảm thiểu thời gian mất điện, gián đoạn tối đa trong vòng 30 giây.
ATS là thành phần quan trọng nhất của tủ chuyển điện tự động ATS với vai trò điều khiển nguồn điện cung cấp cho phụ tải, ổn định nguồn điện, khắc phục kịp thời các sự cố ở nguồn điện.

Tủ công tắc nguồn ATS hiện nay được sử dụng rộng rãi từ hệ thống điện của chung cư, trung tâm thương mại, văn phòng… đến hệ thống điện của các nhà máy, nhà xưởng… hay hệ thống điện của trường học, bệnh viện, nhà ga, bến tàu, sân bay… Ngoài ra, tại các khu vực cuối lưới điện thường xuyên xảy ra thiên tai hoặc yêu cầu kỹ thuật cần chuyển đổi nguồn điện cũng sẽ phải lắp đặt dòng tủ điện công nghiệp này.
Tiêu chí lựa chọn tủ ATS

Khi cần lắp đặt tủ chuyển nguồn tự động cho hệ thống điện đang vận hành, cần quan tâm đến các yếu tố dòng điện, điện áp, công suất và chất lượng của các thiết bị trong tủ:
- Dòng định mức của tủ ATS cao hơn dòng tổng của hệ thống tải và đáp ứng khả năng mở rộng tải trong tương lai. Mức dòng điện hiện tại của tủ dao động từ 100A đến vài nghìn ampe.
- Cấp điện áp của tủ điện ATS cần phải tương thích với điện áp của hệ thống hiện có. Cấp điện áp trong hệ thống điện dân dụng khoảng 220V, điện công nghiệp khoảng 380V. Trên thực tế, cấp điện áp của tủ có thể lên tới trên 1000VAC.
- Sau khi xác định được dòng điện và điện áp, bạn sẽ xác định được mức công suất phù hợp cho hệ thống ATS.
- Chất lượng các thiết bị trong tủ ATS cần đồng bộ, đáp ứng nhu cầu sử dụng, có thông số kỹ thuật phù hợp, không gây xung đột khi lắp đặt. Lưu ý không nên chọn tủ có công suất quá khác so với công suất của trạm biến áp.
Đọc thêm: 3 sơ đồ nguyên lý tủ điện ATS và hướng dẫn đi dây tủ ATS
Ngoài ra, bạn cần lưu ý thêm khi lựa chọn và lắp đặt tủ ATS:
- Môi trường hoạt động của hệ thống ATS là nơi khô ráo, thoáng mát, không gần các chất dễ cháy nổ, không có ánh nắng trực tiếp, không có rủi ro từ thời tiết khắc nghiệt, v.v.
- Tủ điện ATS có khả năng kết nối với hệ thống điều khiển điện tự động nhằm hạn chế các sự cố khi vận hành như lỗi hiển thị, lỗi truyền dòng điện hay nguy cơ cháy nổ, v.v.
- Lựa chọn thông số, kích thước tủ ATS phù hợp với thiết bị vận hành, tránh sử dụng quá nhiều thiết bị trong tủ gây lãng phí.
- Xem xét số lượng nguồn kết nối vào tủ phù hợp với tình hình hiện tại và nhu cầu vận hành. Ví dụ, hệ thống ATS lắp đặt cho tòa nhà chỉ cần 1 nguồn điện chính và 1 nguồn điện dự phòng.
KTH ELECTRIC cung cấp thiết bị điện cho tủ công tắc nguồn ATS
KTH ELECTRIC là thương hiệu cung cấp thiết bị chất lượng cho tủ điện ATS tại các nhà máy, văn phòng tại nhiều khu công nghiệp lớn. Các thiết bị chúng tôi cung cấp bao gồm bộ đổi nguồn tự động ATS, contactor, CB và một số thiết bị khác đều mang thương hiệu KTH ELECTRIC.
Thiết bị điện công nghiệp của KTH ELECTRIC đạt tiêu chuẩn chất lượng EN, IEC, được kiểm định bởi các tổ chức chất lượng hàng đầu như Dekra, Intertek,… và mang thương hiệu KEMA-KEUR. Tham khảo thông số chất lượng và catalog sản phẩm tại: https://btb-electric.com/vi/san-pham/

Nội dung được phát triển bởi đội ngũ truonglehongphong.edu.vn với mục đích chia sẻ và tăng trải nghiệm khách hàng. Mọi ý kiến đóng góp xin vui lòng liên hệ tổng đài chăm sóc: 1900 0000 hoặc email: hotro@truonglehongphong.edu.vn