Nội dung bài viết
Tụ điện cơ bản được xem là giải pháp tối ưu giúp ổn định lượng công suất bù trong hệ thống điện. Bài viết dưới đây của KTH ELECTRIC sẽ đi sâu tìm hiểu về tụ điện cơ bản, vai trò của chúng cũng như lựa chọn và lắp đặt phù hợp vào hệ thống điện.

Một tụ điện cơ sở là gì?
Tụ cơ sở là công suất của tụ được đóng vĩnh viễn trong hệ thống điện, thường đảm bảo không gây ra hiện tượng bù quá mức. Bù nền áp dụng cho một nhóm thiết bị hoặc toàn bộ hệ thống. Kiểu bù công suất này được thực hiện thông qua MCCB hoặc contactor chuyển mạch, có thể lắp thêm rơle riêng.
Vai trò của tụ nền trong trạm biến áp không tải
Theo quy định của Nhà nước, hệ số cosφ là 0,9 nhưng vẫn phải nộp phạt. Vì nguồn điện có công tơ lắp ở phía trung thế nên khi điện không tải hoặc tải nhỏ

Khi máy biến áp làm việc có tải, cosφ giảm rất thấp. Ví dụ, với máy biến áp 2000kVA, tổn thất không tải là:
Ví dụ: cosφ2 là 0,9 thì cosφ1 có thể được tính là 0,037. Với mức cos như vậy thì hệ số phạt là 44,07%. Vì vậy, trạm có thời gian tải càng ngắn thì mức phạt càng cao nên cần một khoản bồi thường cơ bản để tránh bị phạt.
=>> Xem thêm: Cách tính dung lượng tụ điện
Tính công suất tụ nền cho trạm biến áp không tải
Công thức tính tổn thất không tải cho máy biến áp: Qo = Io% x S
Trong đó:
- Qo: Công suất tụ cơ sở
- Io: % dòng không tải do nhà sản xuất quy định, thường là 2
Tham khảo bảng thông số sau để tính Qo:
| Công suất MBA (kVA) | Po (W) | Io (%) | Đạn (W) | Anh (%) | Tụ điện 400V (kVAr) | Tụ điện 440V (kVAr) |
| 50 | 250 | 2 | 750 | 4.4 | 1,00 | 1,21 |
| 75 | 350 | 2 | 1750 | 4.4 | 1,50 | 1,82 |
| 100 | 205 | 2 | 1258 | 6 | 2,00 | 2,42 |
| 160 | 280 | 2 | 1940 | 6 | 3,20 | 3,87 |
| 180 | 315 | 2 | 2185 | 6 | 3,60 | 4,36 |
| 250 | 340 | 2 | 2600 | 6 | 5 giờ 00 | 6.05 |
| 320 | 390 | 2 | 3330 | 6 | 6 giờ 40 | 7,74 |
| 400 | 433 | 2 | 3818 | 6 | 8 giờ 00 | 9,68 |
| 500 | 580 | 2 | 4810 | 6 | 10 giờ 00 | 12.10 |
| 560 | 580 | 2 | 4810 | 6 | 11 giờ 20 | 13:55 |
| 630 | 787 | 2 | 5570 | 6 | 12:60 | 15:25 |
| 750 | 855 | 2 | 6725 | 6 | 15:00 | 18.15 |
| 800 | 880 | 2 | 6920 | 6 | 16:00 | 19:36 |
| 1000 | 980 | 2 | 8550 | 6 | 20:00 | 24h20 |
| 1250 | 2020 | 2 | 10690 | 6 | 25:00 | 30,25 |
| 1500 | 1305 | 2 | 13680 | 6 | 30:00 | 36:30 |
| 2000 | 1500 | 2 | 17100 | 6 | 40:00 | 48,40 |
=>> Đọc thêm: So sánh ưu nhược điểm của tụ ngang và tụ dọc
Tính toán và thiết kế sơ đồ lắp đặt tụ điện cơ sở
Chúng tôi giới thiệu hai phương pháp lắp đặt dàn tụ điện dưới đây: phương án 1 không bù nền và phương án 2 có bù nền. Xét một nhà máy đang vận hành với công suất tối đa là 150kW và các mức công suất thực tế lần lượt là 100kW, 110kW, 120kW, 130kW, 140kW và 150kW.
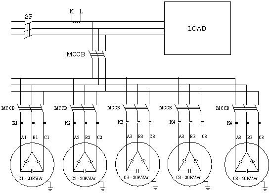
- Phương án 1: Lắp bù động 5 cấp x 20 kVAr

Bảng tham số:
| Công suất (kW) | 100 | 110 | 120 | 130 | 140 | 150 |
| Công suất bù (kVar) | 55,0 | 60,5 | 66,0 | 71,5 | 77,0 | 82,5 |
| Công suất bù (kVar) | 60,0 | 60,0 | 80,0 | 80,5 | 80,0 | 80,0 |
| Lỗi bù (kVar) | 5.0 | 0,5 | 14.0 | 9,5 | 3.0 | -2,5 |
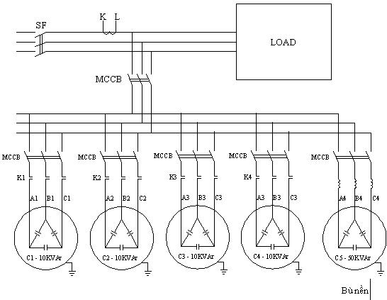
- Phương án 2: Lắp đặt bù đất 50kVAr 1 cấp và bù động 4 cấp x 10 kVAr

Bảng tham số:
| Công suất (kW) | 100 | 110 | 120 | 130 | 140 | 150 |
| Công suất bù (kVar) | 55,0 | 60,5 | 66,0 | 71,5 | 77,0 | 82,5 |
| Công suất bù (kVar) | 60,0 | 60,0 | 70,0 | 70,5 | 80,0 | 80,0 |
| Lỗi bù (kVar) | 5.0 | 0,5 | 14.0 | 4.0 | 3.0 | -2,5 |
Có thể thấy, trường hợp sử dụng tụ bù gốc thì công suất bù thấp hơn phương án 1 nếu không dùng tụ bù gốc. Tuy nhiên, việc sử dụng tụ cơ sở đòi hỏi phải tính toán hợp lý để tránh tụ điện gây quá tải điện áp và làm hỏng thiết bị.
Xem thêm thông tin về tụ điện tại website Điện BTB.

Nội dung được phát triển bởi đội ngũ truonglehongphong.edu.vn với mục đích chia sẻ và tăng trải nghiệm khách hàng. Mọi ý kiến đóng góp xin vui lòng liên hệ tổng đài chăm sóc: 1900 0000 hoặc email: hotro@truonglehongphong.edu.vn