So sánh sự khác biệt của RCCB và ELCB

ELCB là cầu dao chống dòng rò đa năng. Điểm khác biệt lớn giữa ELCB và RCCB là ELCB có thêm chức năng bảo vệ ngắn mạch. Ngoài ra, RCCB và ELCB còn có thể được nhận biết thông qua nhiều yếu tố khác như thiết kế, kết cấu hay ứng dụng thực tế. Tổng hợp sau đây của KTH ELECTRIC sẽ giúp bạn so sánh chi tiết ELCB và RCCB.

So sánh đặc điểm kết cấu của RCCB và ELCB

Khi đặt RCCB và ELCB cạnh nhau, bạn có thể phân biệt 2 thiết bị đóng cắt này bằng mắt thường thông qua thiết kế bên ngoài. Mặt khác, do đặc điểm khác nhau nên kết cấu bên trong của ELCB và RCCB cũng có sự khác biệt.

Đặc điểm kết cấu của RCCB

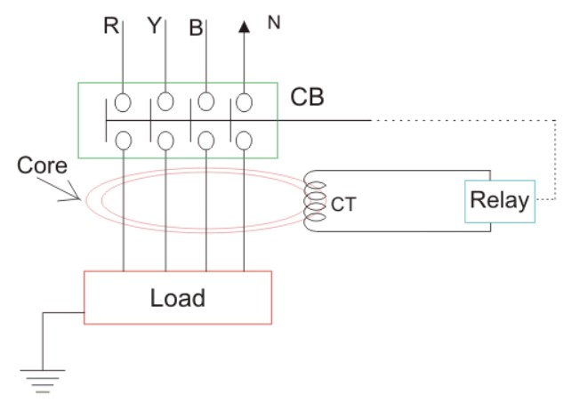
RCCB (viết tắt của Residual Current Circuit Breaker) là cầu dao chống giật dạng khối chỉ có chức năng bảo vệ mạch điện khỏi hiện tượng rò rỉ điện. RCCB có 2 loại: RCCB 1 pha 2 cực (1 cặp cực L và 1 đôi cực N) và RCCB 3 pha 4 cực (3 cặp cực L và 1 đôi cực N).

biểu ngữ rccb btb

Bộ phận quan trọng nhất bên trong cấu trúc RCCB là bộ phát hiện dòng rò RCD. RCD là một cơ cấu hình xuyến cho phép dây pha và dây nối đất đi qua, kết hợp hai dây này để tạo thành cuộn sơ cấp của máy biến dòng. Trong khi đó, cuộn thứ cấp được nối với rơle nhiệt hoặc rơle điện từ để ngắt mạch khi có dòng điện rò rỉ. Ngoài ra, đặc điểm bên ngoài mặt trước của RCCB là chỉ có một cần duy nhất đặt nghiêng và nút kiểm tra dòng điện rò.

Xem thêm  MCCB là gì? - Cấu tạo, phân loại và ứng dụng

Đặc điểm cấu trúc của ELCB

ELCB (viết tắt của Earth Leakage Circuit Breaker) là cầu dao chống rò điện, loại cầu dao dạng khối vừa có thể phát hiện dòng rò, vừa phát hiện đoản mạch rồi ngắt nguồn điện. ELCB có 2 loại: ELCB 3 pha 3 cực (có 3 cặp cực L) và ELCB 3 pha 4 cực (có 3 cặp cực L và 1 đôi cực N).

biểu ngữ elcb btb

Trong cấu tạo của ELCB, ngoài bộ phát hiện dòng rò RCD còn có một bộ phận quan trọng không kém là ARC với khả năng phát hiện đoản mạch. Ngoài ra, ARC trong ELCB còn có khả năng phát hiện hiện tượng cảm ứng điện từ, phát hiện dòng điện tăng đột ngột do đoản mạch. Ngoài ra, ELCB có thiết kế mạch khối tương tự MCCB với một đòn bẩy duy nhất thường được bố trí ở giữa, nút kiểm tra dòng điện rò và nút điều chỉnh thông số Ics.

Nhìn chung, ELCB có kích thước lớn hơn RCCB và bố trí bên ngoài có thêm nút bấm để tinh chỉnh hệ số ngắt mạch. Cùng với đó, cấu trúc bên trong của ELCB sẽ phức tạp hơn RCCB. Ngoài ra ELCB chỉ có thiết kế 3 pha chứ không có thiết kế 1 pha như RCCB.

=>> Xem thêm: Sự khác biệt giữa ELCB và RCBO

So sánh tính năng ELCB và RCCB

Đặc điểm chung giữa ELCB và RCCB là khả năng phát hiện dòng điện dư. Tuy nhiên, nguyên lý hoạt động của hai thiết bị này có phần khác nhau:

Xem thêm  Tổng hợp quy định và nguyên tắc an toàn điện công nghiệp cần biết 

Nguyên lý hoạt động của RCCB là so sánh dòng điện giữa hai chiều trong mạch. Nếu có dòng điện dư sẽ tạo ra từ trường, tác động đến rơle cảm biến ở hai thiết bị và làm đứt mạch.

Nguyên tắc làm việc của Elcb hiện nay

Nguyên lý hoạt động của ELCB có thể dựa trên dòng điện tương tự như RCCB hoặc dựa trên điện áp. Các phiên bản ELCB điện áp cần được kết nối với bộ phận nối đất khi lắp đặt. Nếu dây pha trực tiếp chạm vào phần kim loại của thiết bị được kết nối, một dòng điện vi sai sẽ chạy qua cuộn dây rơle. Nếu chênh lệch dòng điện vượt quá giới hạn, rơle sẽ tắt ELCB.

Nguyên lý hoạt động của elcb điện áp

So với RCCB, ELCB có thêm tính năng phát hiện ngắn mạch (tức là phát hiện dòng tải tăng đột ngột) và ngắt mạch để tránh ảnh hưởng đến hệ thống tải.

Giới hạn ngắt mạch khi phát hiện dòng điện dư của ELCB cao hơn RCCB:

  • Trên ELCB: 30mA, 100mA, 300mA và 500mA
  • Trên RCCB: 10 mA, 30 mA, 100 mA và 300 mA

So sánh ứng dụng của ELCB và RCCB

ELCB điện áp là ELCB thế hệ cũ, chỉ có khả năng phát hiện dòng dư trong mạch tải nên tính ứng dụng không cao. Loại ELCB này được lắp đặt cục bộ cho các thiết bị chịu tải công suất lớn như máy nước nóng, máy hàn,… Khi lắp đặt loại ELCB này cần bố trí thêm một dây nối đất.

Xem thêm  Những dòng thiết bị đóng cắt mạch điện (switchgear) phổ biến

Làm thế nào để khởi động một aptomat

ELCB hiện tại là phiên bản hiện đại của ELCB có tính năng tương tự RCCB và RCBO, phát hiện dòng dư theo cả hai chiều. Loại ELCB này được sử dụng rộng rãi hơn trong hệ thống điện công nghiệp, chung cư, công trường, tàu thủy hoặc trong y tế.

RCCB chủ yếu được lắp đặt nối tiếp sau MCB hoặc MCCB trong hệ thống điện dân dụng và công nghiệp. Vị trí lắp đặt RCCB là tại cầu dao chính hoặc cầu dao nhánh. Trong một số trường hợp, RCCB được lắp đặt cho các thiết bị công nghiệp có nguy cơ rò rỉ điện cao.

ứng dụng elcb trên điện thoại di động

Ứng dụng của ELCB và RCCB dựa trên mức dòng rò thiết kế:

  • Cắt dòng điện 10mA, 30mA được sử dụng trong hệ thống điện dân dụng và thương mại
  • Mức dòng điện cắt 100mA được sử dụng để bảo vệ hệ thống khỏi bị đoản mạch và cháy nổ
  • Dòng cắt từ 300mA trở lên được sử dụng cho tủ điện công nghiệp.

=>> So sánh chi tiết các dòng CB còn lại tại: Sự khác biệt của MCB, MCCB, RCCB, RCBO, ELCB và RCD

KTH ELECTRIC là nhà sản xuất thiết bị điện công nghiệp tiêu chuẩn Châu Âu, sở hữu các dòng RCCB, ELCB chất lượng cao. Các thiết bị của chúng tôi đều đáp ứng các chứng nhận chất lượng toàn cầu như IEC/EN 61008-1 cho RCCB và IEC/EN 60947-2 cho ELCB. Ngoài ra, RCCB và ELCB của KTH ELECTRIC đều mang thương hiệu Kema – KEUR nổi tiếng.

biểu ngữ rccb-vs-elcb btb

Tham khảo thêm 2 dòng sản phẩm này của KTH ELECTRIC tại:

Nội dung được phát triển bởi đội ngũ truonglehongphong.edu.vn với mục đích chia sẻ và tăng trải nghiệm khách hàng. Mọi ý kiến đóng góp xin vui lòng liên hệ tổng đài chăm sóc: 1900 0000 hoặc email: hotro@truonglehongphong.edu.vn

Để lại một bình luận

Email của bạn sẽ không được hiển thị công khai. Các trường bắt buộc được đánh dấu *