So sánh biến tần và khởi động mềm: Chọn giải pháp nào?

Biến tần và khởi động mềm đều là giải pháp khởi động động cơ nhằm tối ưu hóa công suất động cơ và tiết kiệm năng lượng (giảm dòng điện đầu vào), hạn chế rủi ro vận hành (giảm mô-men xoắn). Vậy ưu nhược điểm của 2 thiết bị này là gì và nên sử dụng trong những trường hợp nào? Hãy theo dõi ngay bài viết so sánh sau đây của KTH ELECTRIC.

Biến tần và lợi ích khi sử dụng

Biến tần thay đổi tần số và điện áp của dòng điện đi vào động cơ, từ đó điều chỉnh tốc độ động cơ liên tục khi khởi động và vận hành động cơ.

rám nắng là gì?

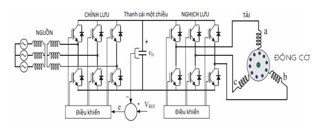
Nguyên lý hoạt động của biến tần

Nguồn điện AC hoặc DC, 1 pha hoặc 3 pha khi đi qua biến tần được chỉnh lưu và lọc qua bộ chỉnh lưu cầu diode và tụ điện. Sau đó hệ thống IGBT (transistor lưỡng cực cổng cách ly) sẽ chuyển đổi điện áp thành điện áp xoay chiều 3 pha đối xứng thông qua phương pháp điều chế chế độ rộng xung (PWM).

Nguyên lý hoạt động biến tốc 1

Điện áp đầu ra được thay đổi biên độ và tần số liên tục phù hợp với yêu cầu, từ đó điều khiển tốc độ động cơ thay đổi tương ứng trong quá trình vận hành.

Lợi ích và ứng dụng của biến tần

Biến tần được sử dụng trong:

  • Động cơ yêu cầu giá trị điện áp và tần số riêng biệt khi hoạt động.
  • Hệ thống cần được bảo vệ khỏi các nguy cơ quá tải, quá áp, mất pha,…
  • Thay thế cơ chế điều khiển vô cấp truyền thống.
  • Động cơ thay đổi tốc độ, cường độ, đảo chiều quay,… liên tục khi hoạt động.
Xem thêm  Magnetic contactor là gì? Nguyên lý hoạt động và ứng dụng

Sử dụng biến tần trong hệ thống giúp:

  • Giảm mài mòn động cơ, tăng tuổi thọ.
  • Thay đổi tốc độ động cơ theo yêu cầu công nghệ và hệ thống.
  • Tiết kiệm năng lượng và bảo vệ thiết bị hạ lưu.
  • Bảo vệ động cơ khỏi các vấn đề về điện áp, dòng điện, v.v.

Khởi động mềm và lợi ích khi sử dụng

Bộ khởi động mềm dùng để hỗ trợ quá trình khởi động động cơ đầu vào AC, bảo vệ động cơ khỏi hư hỏng khi dòng khởi động lớn đột ngột và hạn chế sụt áp trên lưới điện bằng cách tăng dần điện áp cấp vào động cơ đến điện áp định mức và ngược lại, giảm dần điện áp vào động cơ khi dừng.

Meme boot 1 là gì

Nguyên lý hoạt động của khởi động mềm

Bộ khởi động mềm gồm 3 cặp thyristor (SCR) mắc song song ngược. Khi thyristor tắt, nó ngăn cản dòng điện chạy qua. Khi bật, thyristo mở dần góc kích thích (góc mở van bán dẫn) để cho dòng điện chạy qua chậm, khiến động cơ khởi động và tăng tốc dần.

Góc mở của van tương ứng với điện áp. Khi van mở hoàn toàn, điện áp đạt giá trị định mức và tốc độ động cơ đạt mức tối đa cho phép. Bởi vì mô-men xoắn của động cơ tỷ lệ với bình phương điện áp và dòng điện tỷ lệ với điện áp nên mô-men tăng tốc và dòng điện khởi động được giới hạn bằng cách điều chỉnh giá trị hiệu dụng của điện áp.

Xem thêm  Hướng dẫn chọn aptomat lắp cho điều hòa (máy lạnh)

Nguyên lý hoạt động từ bộ nhớ 1

Khi động cơ đạt tốc độ tối đa, công tắc tơ bypass trong bộ khởi động mềm sẽ đóng lại, hệ thống sẽ tự động bỏ qua mạng lưới điện mà không cần bộ thyristo.

Lợi ích và ứng dụng của khởi động mềm

Các hệ thống yêu cầu sử dụng khởi động mềm:

  • Động cơ cần tăng tốc/giảm tốc và mô-men xoắn chậm khi khởi động hoặc dừng.
  • Hạn chế dòng khởi động cao đột ngột, tránh sụt áp hoặc hư hỏng động cơ.
  • Kiểm soát tốc độ khi khởi động/dừng xe để tránh mô-men xoắn hoặc lực căng đột ngột gây hư hỏng hệ thống thiết bị phía sau.
  • Máy bơm tăng áp suất từ ​​từ khi bơm/dừng, tránh tạo búa nước, vỡ đường ống.

Khi sử dụng khởi động mềm, những lợi ích là:

  • Hỗ trợ khởi động động cơ, giảm thiểu rủi ro về điện áp.
  • Bảo vệ động cơ khỏi các sự cố cơ bản về điện.
  • Tăng tuổi thọ động cơ và thiết bị vận hành phía sau.

Ưu nhược điểm của biến tần và khởi động mềm

Để chọn biến tần hoặc khởi động mềm để khởi động động cơ cần căn cứ vào nhiều yếu tố như yêu cầu động cơ, điện áp, chi phí đầu tư, số lượng động cơ,… Tham khảo bảng so sánh khởi động mềm và biến tần sau:

yếu tố so sánh Biến tần Khởi động mềm
Chức năng chính Điều khiển tốc độ động cơ bằng cách thay đổi tần số và điện áp Giảm dòng khởi động và mô-men xoắn, khởi động/dừng mềm
Kiểm soát tốc độ Điều khiển liên tục, thời gian tăng giảm tốc linh hoạt, phạm vi điều chỉnh rộng Chỉ có tác dụng khi khởi động và dừng động cơ, thời gian tăng giảm tốc hẹp, khó khăn khi khởi động động cơ lớn
Đảo ngược động cơ Có lẽ không thể
Khi khởi động Kiểm soát dòng điện và mô-men xoắn rất tốt, nhiều chế độ khởi động. Giảm dòng khởi động, điều chỉnh thời gian tăng/giảm tốc.
Khi dừng lại Kiểm soát dừng mềm Dừng mềm hoặc dừng quán tính
Bảo vệ động cơ Đa dạng: quá dòng, quá áp, quá nhiệt, lỗi pha,… Bảo vệ cơ bản
Số lần bắt đầu Tùy chọn mà không ảnh hưởng đến động cơ và hệ thống cơ khí Số lần bắt đầu có thể bị giới hạn
Tác động lên mô-men xoắn Không ảnh hưởng đến mô-men xoắn Có thể làm suy yếu mô-men xoắn
Số lượng động cơ điều khiển Nhiều động cơ cùng một lúc Chỉ có 1 động cơ
Kết cấu Kích thước lớn hơn, cấu trúc phức tạp, nhiều thành phần Nhỏ gọn hơn, cấu trúc cơ bản, ít thành phần
Giá Cao hơn Thấp hơn
Yêu cầu vận hành Người lắp đặt và vận hành cần có kiến ​​thức nhất định Dễ dàng hơn để cài đặt và vận hành
Xem thêm  Cách xử lý aptomat chống giật bị nhảy liên tục

Nhìn chung, biến tần là thiết bị khởi động động cơ đa năng hơn, hoạt động trong suốt quá trình chạy của động cơ, có nhiều tính năng vận hành và bảo vệ hơn, kết cấu phức tạp hơn đồng nghĩa với việc yêu cầu kỹ thuật cao hơn và giá thành cao hơn. Tuy nhiên, tính năng khởi động mềm đơn giản hơn, chỉ dùng để khởi động và dừng động cơ, yêu cầu kỹ thuật thấp hơn và giá thành cũng thấp hơn.

Tân Tân bắt đầu meme

Vì vậy, biến tần thích hợp cho các hệ thống động cơ công suất lớn, có đặc tính vận hành phức tạp và yêu cầu cao về chức năng cũng như khả năng bảo vệ. Bộ khởi động mềm thích hợp cho những động cơ chỉ yêu cầu giới hạn dòng điện, ổn định điện áp và không có những yêu cầu khắt khe khác.

Bạn có thể đọc thêm bài viết về 2 dòng thiết bị này tại: https://btb-electric.com/vi/tin-tuc/kien-thuc-nganh/kien-thuc-tu-dien/

Nội dung được phát triển bởi đội ngũ truonglehongphong.edu.vn với mục đích chia sẻ và tăng trải nghiệm khách hàng. Mọi ý kiến đóng góp xin vui lòng liên hệ tổng đài chăm sóc: 1900 0000 hoặc email: hotro@truonglehongphong.edu.vn

Để lại một bình luận

Email của bạn sẽ không được hiển thị công khai. Các trường bắt buộc được đánh dấu *