Sơ đồ 14 mạch khởi động từ đơn – khởi động từ kép chi tiết

Công tắc tơ kép được kết hợp từ hai công tắc tơ đơn hay còn gọi là bộ khởi động từ ngược, dùng để thay đổi chiều quay của động cơ. Dòng khởi động từ đơn và kép khác nhau như thế nào và cách thiết kế mạch cho cả hai dòng? KTH ELECTRIC sẽ có bài phân tích, so sánh và hướng dẫn sơ đồ mạch khởi động dưới đây.

14 mạch khởi động từ đơn và mạch khởi động từ kép

Các ký hiệu thường gặp trong mạch khởi động từ:

  • CB: Viết tắt của cầu dao
  • CC1, CC2: Ký hiệu cầu chì
  • D, MT, MN: Ký hiệu các nút dừng, mở tiến/ngược của contactor
  • T, N: Ký hiệu contactor thuận và contactor ngược
  • RTZ: Biểu tượng rơle thời gian
  • K1: Công tắc tơ có dây hình sao
  • K2: Contactor có dây hình tam giác
  • RN: Ký hiệu rơle nhiệt

Bạn có thể tìm hiểu thêm tại: Ý nghĩa các ký hiệu và thông số trên contactor

Dưới đây là tổng hợp các mạch điện sử dụng bộ khởi động từ đơn và bộ khởi động từ kép dùng trong sản xuất và thương mại.

Xem thêm  Nổ máy biến áp: Tổng hợp nguyên nhân và hướng xử lý

Mạch động cơ 3 pha sử dụng contactor đơn

Mạch động cơ 3 pha khởi động đơn khá phức tạp, chi phí lắp đặt cao nhưng giúp điều khiển dễ dàng và an toàn khi sử dụng.

Máy có 3 pha sử dụng contactor

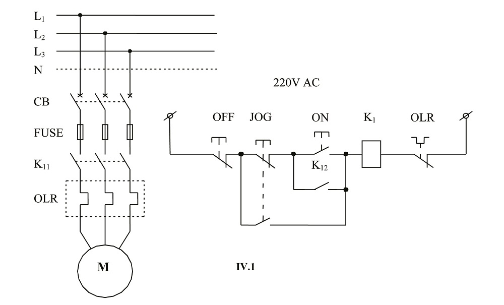
Mạch động cơ 3 pha có thử nghiệm dòng điện

Mạch điều khiển động cơ 3 pha dự thảo khá giống với mạch đầu tiên, có thêm bộ nút khóa liên động JOG (2 tiếp điểm NO và NC nối với nhau) dùng để tạo áp suất liên tục để khởi động động cơ.

Máy có 3 pha với đầu vào

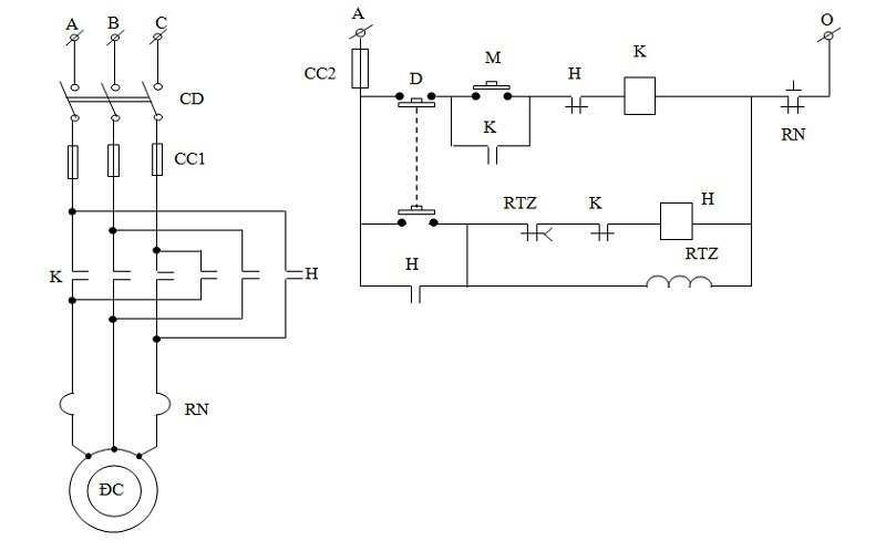
Mạch động cơ 2 vị trí

Mạch động cơ 2 vị trí có sơ đồ khá đơn giản, dễ sử dụng trong thực tế nhưng khá nguy hiểm. Nếu mất điện, mạch này sẽ ảnh hưởng xấu đến cơ cấu vận hành của hệ thống.

Máy có 2 chức năng

Mạch động cơ lồng sóc nối với lò phản ứng

Mạch này cung cấp năng lượng cho mạch điện và mạch điều khiển. Nguyên lý khởi động của mạch động cơ lồng sóc với cuộn kháng được mắc nối tiếp với mạch stato và cuộn kháng 3 pha khi khởi động, sau đó tháo ra và cấp điện trực tiếp.

Mạch Đông có mái tóc dài và khỏe mạnh

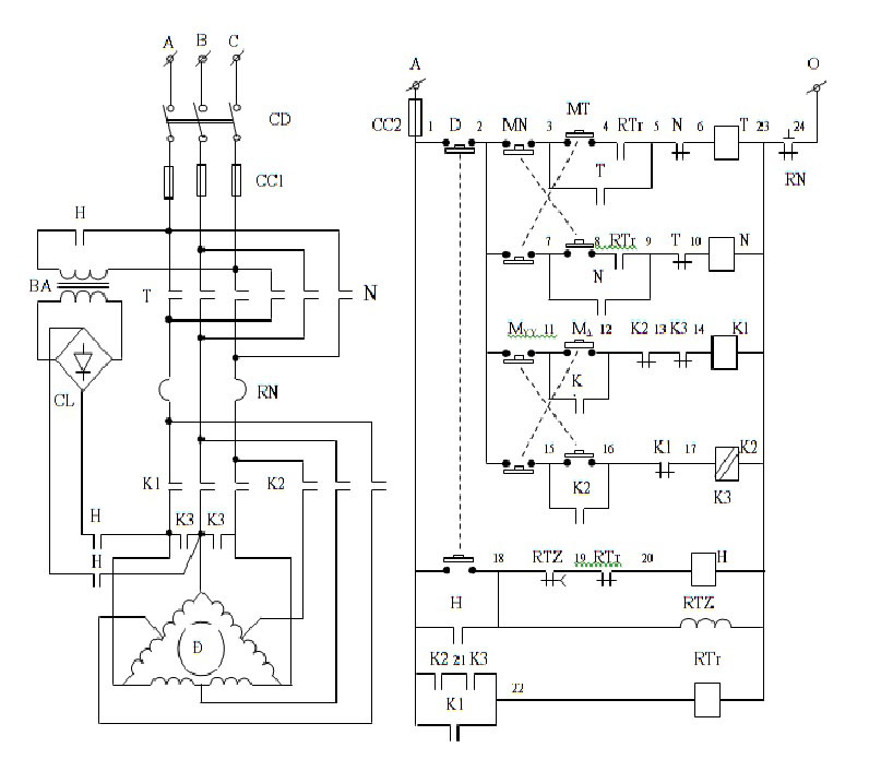
Mạch khởi động sao-tam giác

Mạch khởi động sao-tam giác kết hợp làm giảm dòng điện đầu vào khi khởi động so với mạch thông thường. Mạch này có cơ chế khởi động hai chiều có thể đảo ngược. Ở chiều thuận, động cơ hoạt động với cuộn dây stato hình ngôi sao. Ở chiều ngược lại, động cơ hoạt động với cuộn dây stato hình tam giác.

Cách bắt đầu ngôi sao tam giác

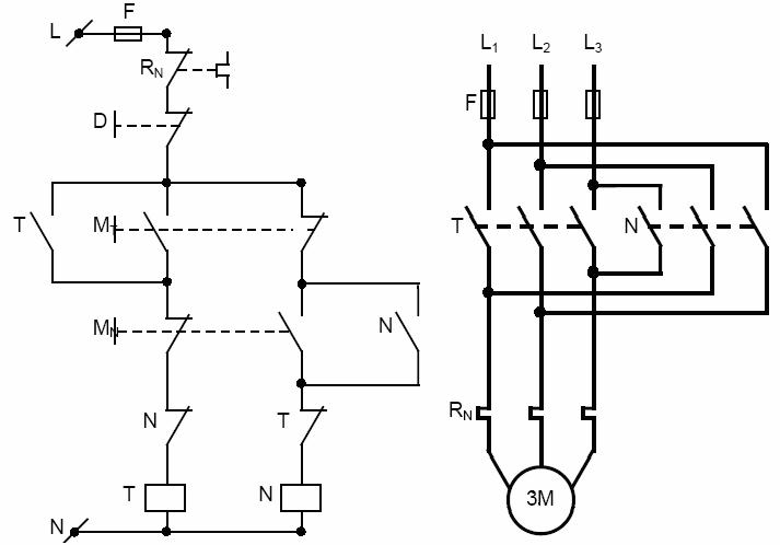
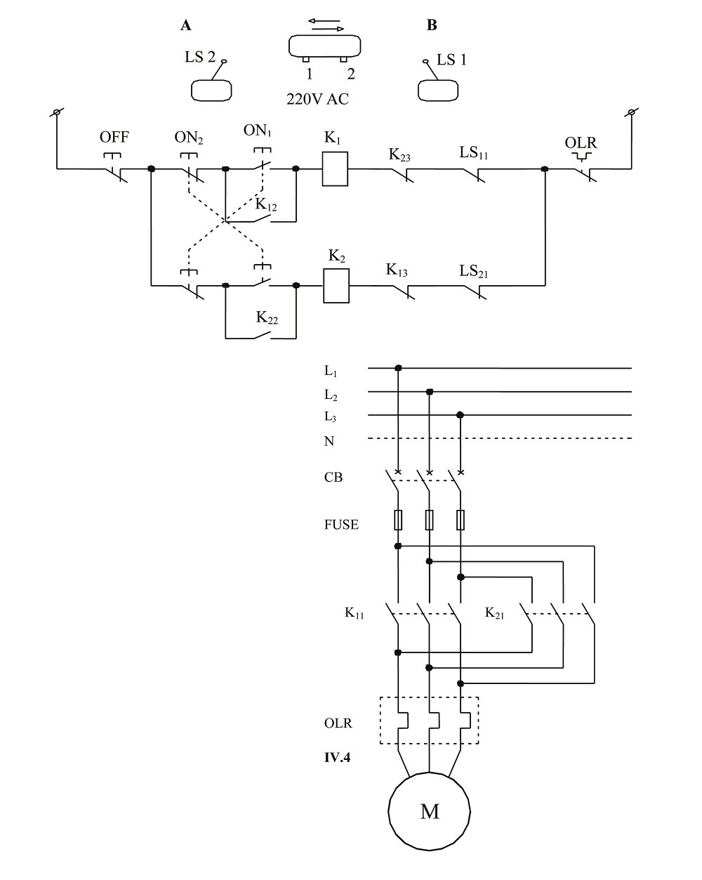
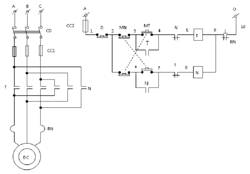
Mạch động cơ 3 pha đảo chiều

Mạch này sử dụng hai contactor để điều khiển động cơ theo hai chiều thuận nghịch.

Máy có 3 pha điều khiển

Mạch tự động giới hạn hành trình

Trong mạch giới hạn tự động, động cơ quay và tải di chuyển đến vị trí kích hoạt công tắc giới hạn, ngắt kết nối contactor. Lúc này mạch hở nên không điều khiển được động cơ theo chiều thuận.

Xem thêm  Top 10 Phích Cắm Điện Tốt Và Phổ Biến Nhất 2025

Mach từ thế giới Hà Nội

Đọc thêm: Hướng dẫn chi tiết khởi động đấu nối từ 3 pha và 1 pha

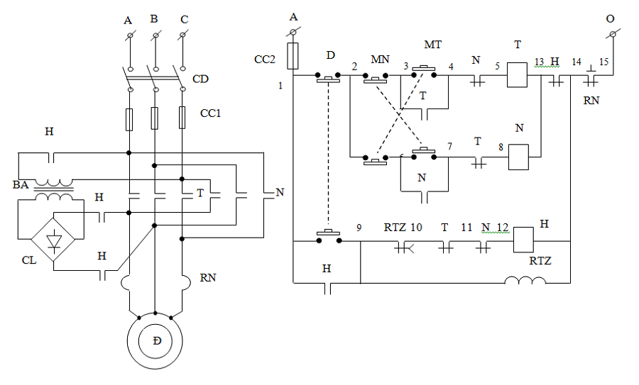
Mạch phanh ngược

Mạch kết hợp một bộ khởi động từ duy nhất và một rơle thời gian để điều khiển động cơ và phanh lùi.

người Mach ham

Mạch hãm động học

Mạch kết hợp một bộ khởi động từ duy nhất và một rơle thời gian để điều khiển động cơ và hãm động năng.

Mạch ham đồng nàng

Mạch động cơ sao tam giác 2 cấp

Mạch sử dụng nhiều động cơ nối với hai cuộn dây nối sao và tam giác để điều khiển động cơ 2 chiều và động năng phanh.

Máy có 2 nắp sao hình tam giác

Mạch mở động cơ theo thứ tự

Mạch mở động cơ để khởi động máy theo đúng trình tự (ở một số nhà máy dây chuyền) nhằm tránh sự cố khởi động sai.

Máy vận hành dựa trên doanh thu

Mạch 2 động cơ xoay chiều

Mạch sử dụng luân phiên hai động cơ trong trường hợp cần sản xuất liên tục để hạn chế sự suy giảm tuổi thọ của động cơ. Mạch này cũng được sử dụng để khởi động cả hai động cơ khi cần tăng công suất.

Mach 2 hợp tác

Mạch động cơ chính và phụ

Mạch này là phương án dự phòng để thay đổi động cơ dự phòng khi động cơ chính gặp sự cố như hỏng, cháy, nổ.

Máy có ông chủ riêng

Mạch động cơ tự động chuyển nguồn

Mạch động cơ chuyển nguồn tự động là một lựa chọn tốt để các nhà máy sản xuất dây chuyền tự động chuyển nguồn điện và tiếp tục vận hành động cơ.

máy chuyển đổi năng lượng

Phân biệt máy khởi động đơn và máy khởi động kép

Khi nhìn ra bên ngoài, bạn sẽ thấy bộ khởi động từ kép dường như được kết hợp bởi 2 bộ khởi động từ đơn giống hệt nhau. Tuy nhiên, cấu tạo của thiết bị này có thực sự đơn giản như vậy?

Xem thêm  Công tắc không dây là gì? Top 5 công tắc không dây tốt nhất

Khái niệm về khởi động từ đơn và khởi động từ kép

Bộ khởi động từ (tương tự contactor) là thiết bị điều khiển điện hạ thế, có chức năng đóng mạch từ xa, bảo vệ dòng điện khỏi quá tải và một số tình huống khác. Khởi động từ góp phần tăng cường tự động hóa hệ thống bằng điều khiển điện từ xa hoặc thông qua nút ấn.

ac contactor btb

Bộ khởi động từ kép là dòng có 2 bộ khởi động từ 3 cực được khóa liên động cơ học với nhau thông qua 2 tiếp điểm phụ. Ngoài ra, mỗi bộ khởi động từ còn có các tiếp điểm phụ riêng để kết nối với các thiết bị khác.

contactor đôi 1

Bộ khởi động từ kép giúp giảm nhu cầu đi dây chung tới một công tắc tơ, trong trường hợp bạn cần điều khiển quá nhiều thiết bị. Khi có contactor kép, các vị trí kết nối được trải rộng ra giúp tránh tiếp xúc nóng lên và khiến contactor phát nổ.

Nguyên lý hoạt động của bộ khởi động từ đơn và bộ khởi động từ kép

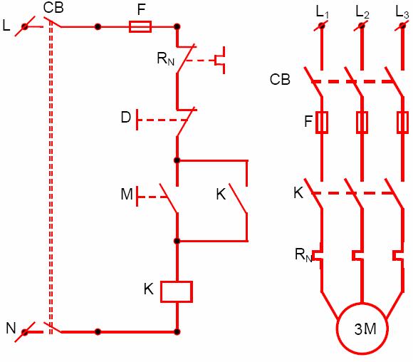
Ngoài hoạt động theo nguyên lý đóng/mở tiếp điểm nhờ từ trường cuộn dây của contactor đơn, contactor kép còn có khả năng đảo chiều dòng điện.

Nguyên lý hoạt động của contactor

Cụ thể nguyên lý hoạt động của contactor kép như sau:

Khi nhấn nút MT làm cho dòng điện chạy qua, cuộn dây T hút lõi thép chuyển động và tạo ra một mạch từ kín, đóng các tiếp điểm T chính để khởi động động cơ quay theo chiều thuận và đóng tiếp điểm phụ NO để duy trì mạch điều khiển.

Nguyên lý hoạt động của contactor kep

Để đảo chiều quay của động cơ nhấn nút MN làm cuộn T mất điện. Cuộn dây N có dòng điện hút lõi thép chuyển động và đóng mạch từ, đóng tiếp điểm chính N. Sau đó trên mạch điện nghịch đảo hai dây trong nguồn điện 3 pha làm cho động cơ quay ngược, quay ngược và tiếp điểm phụ NO N đóng để duy trì mạch điều khiển.

Khi nhấn nút dừng D, một trong hai công tắc tơ nhỏ ngừng hoạt động, cắt nguồn điện cung cấp cho động cơ. Khi động cơ quá tải, rơle nhiệt sẽ ngắt mạch điện và ngắt contactor kép.

Trên đây là so sánh nhanh giữa bộ khởi động từ đơn và bộ khởi động từ kép với một số mạch điều khiển sử dụng các loại bộ khởi động từ này. Bạn có thể so sánh 2 loại contactor và sử dụng bài viết này để lựa chọn mạch động cơ phù hợp. Xem thêm kiến ​​thức về contactor ngay trên website Điện BTB.

Nội dung được phát triển bởi đội ngũ truonglehongphong.edu.vn với mục đích chia sẻ và tăng trải nghiệm khách hàng. Mọi ý kiến đóng góp xin vui lòng liên hệ tổng đài chăm sóc: 1900 0000 hoặc email: hotro@truonglehongphong.edu.vn

Để lại một bình luận

Email của bạn sẽ không được hiển thị công khai. Các trường bắt buộc được đánh dấu *