Hướng dẫn đọc sơ đồ nguyên lý tủ điện trung thế RMU

Tủ điện trung thế RMU đóng vai trò phân phối và bảo vệ mạch điện, nằm trong hệ thống phân phối mạch vòng thứ cấp cho các trạm biến áp và được ứng dụng trong nhiều ngành công nghiệp khác nhau từ truyền tải điện đến các công trình công nghiệp, dân dụng.

Nắm được sơ đồ nguyên lý tủ điện trung thế RMU sẽ giúp người lắp đặt và vận hành chính xác, hiệu quả hơn. Hãy tham khảo ngay bài viết sau đây của KTH ELECTRIC.

Cấu tạo cơ bản và sơ đồ nguyên lý tủ điện trung thế

Tủ điện trung thế có chức năng đóng cắt, bảo vệ, đo lường và đấu nối các mạch điện, được sử dụng rộng rãi trong các trạm biến áp trung thế từ 1 – 66kV.

Để thiết kế bản vẽ nguyên lý tủ trung thế RMU tiêu chuẩn, trước tiên cần thể hiện chính xác và kỹ thuật các ký hiệu thành phần trong sơ đồ. Các ký hiệu này có nhiều bộ tiêu chuẩn khác nhau, tùy theo đơn vị thiết kế, nhưng cần phải thống nhất một tiêu chuẩn và sử dụng tên gọi chung của thành phần đó.

Số dựa trên nguyên lý nguồn điện rmu trung tâm 1

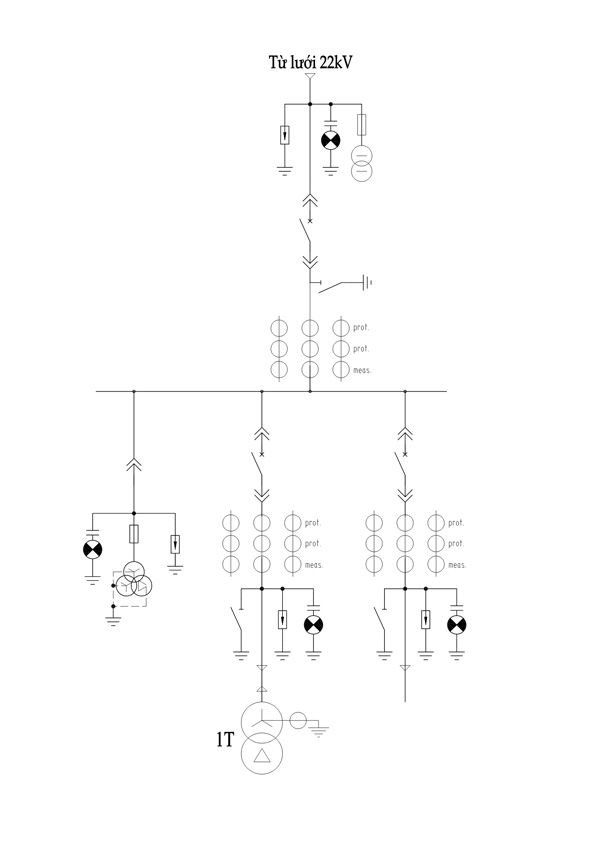
Trong sơ đồ truyền tải điện trung thế, điện được truyền từ lưới trung áp 22kV đến tủ RMU và các nhánh rẽ. Trong bài viết này, chúng tôi ưu tiên giải thích dòng điện từ nhánh 1 đến các nhánh tiếp theo.

Xem thêm  Tổng hợp về trạm GIS và khí SF6 trong trạm biến áp

Số gốc là từ trạm Central Rmu 2

Trên thực tế, điện truyền trực tiếp qua tủ điện trung thế thay vì đi qua dây dẫn. Vì vậy cần sử dụng thanh cái đồng cố định vào khung tủ để thuận tiện cho việc đấu nối và đảm bảo khoảng cách pha ổn định trong quá trình vận hành.

Vậy tại sao bạn lại sử dụng nguồn trung tâm 3?

Cách đọc sơ đồ nguyên lý tủ điện trung thế

Đọc theo nhánh 1

Nhánh 1 hoặc tuyến đến là tuyến nhận nguồn điện đến. Các thiết bị ở nhánh 1 bao gồm:

  • Thiết bị chống sét: Có chức năng bảo vệ tủ RMU khi bị sét đánh gây quá tải dòng điện. Chống sét được chia làm 2 dòng: chống sét dây và chống sét trực tiếp.
  • Máy biến áp: Bao gồm máy biến áp dùng để chuyển đổi điện áp trong truyền tải/phân phối và máy biến áp đo lường bảo vệ dùng để điều khiển các thông số khi vận hành tủ.
  • Máy cắt LBS: Sử dụng loại có thể rút ra để thuận tiện cho việc kiểm tra, bảo trì và thay thế.
  • Đèn báo: Cảnh báo màu sắc khi có sự cố hoặc báo hiệu.

Đọc theo nhánh 2

Nhánh 2 dùng để đo tín hiệu từ máy biến áp, theo dõi các chỉ số điện áp chính và báo cáo các sự cố về điện áp như quá tải hoặc sụt áp. Khi có sự cố, tín hiệu được truyền từ nhánh 2 đến rơle bảo vệ để ngắt dòng điện từng nhánh tùy theo sự cố. Các thiết bị ở nhánh 2 bao gồm:

  • Cầu chì: Dùng để cắt mạch bảo vệ máy biến áp.
  • Máy biến áp 3 pha: Gồm 1 đầu vào cho điện áp cao từ thanh cái và 2 đầu ra cho điện áp thấp ở 2 cuộn dây, dùng để bảo vệ và đo lường.
  • Đèn báo
  • Thiết bị chống sét
Xem thêm  Máy cắt trung thế là gì? Cấu tạo và cách phân loại

Đọc nhánh 3 và 4

Nhánh 3 và 4 đều được gọi là nhánh cấp nguồn vì chúng là nhánh cấp điện cho máy biến áp. Tại nhánh số 3 có máy biến áp có nhiệm vụ chuyển đổi điện năng từ nơi có áp cao về nơi có áp thấp rồi phân phối cho phụ tải phía dưới. Một số thiết bị có công suất cao còn có thể nhận điện trực tiếp từ các nhánh này.

Xem thêm: Hướng dẫn đọc sơ đồ nguyên lý tủ điện hạ thế chính xác

Những lưu ý khi đọc sơ đồ tủ điện RMU

Nguyên tắc khi xây dựng sơ đồ tủ điện trung thế RMU là phải có công tắc tương ứng với từng tiếp điểm và lối vào để điều khiển tùy theo mục đích vận hành. Trong một số trường hợp, máy cắt LBS được sử dụng để phơi sáng. Tuy nhiên, loại cầu dao này không có chức năng bảo vệ chống dòng điện ngắn mạch nên chỉ sử dụng cho những vị trí cần ít khả năng điều khiển đóng mở. Trong trường hợp cần bảo vệ tại vị trí đó, có thể kết hợp LBS và cầu chì. LBS không nên được sử dụng tiếp xúc.

Khi thiết kế sơ đồ nguyên lý của tủ điện trung thế RMU cần tính toán kỹ các thông số kỹ thuật của các thiết bị bên trong, trong đó có một số thông số chính:

  • Thông số thanh cái: dòng định mức (A), điện áp (V), ngưỡng dòng cắt (kA/s)
  • Thông số máy cắt: dòng định mức (A), điện áp (V), ngưỡng dòng cắt (kA/s)
  • Máy biến áp đo lường: công suất đầu ra (kVA), tỷ số vòng dây, dung sai, cấp chính xác
  • Máy biến áp điện: công suất ra (kVA), điện áp vào – ra (V), hệ số công suất
Xem thêm  Hồ quang điện là gì? Tác hại, ứng dụng và cách phòng ngừa

Qua bài viết trên của KTH ELECTRIC, bạn có thể hiểu thêm về sơ đồ nguyên lý của tủ điện trung thế RMU, giúp lắp đặt, vận hành hay bảo trì hệ thống tủ này hiệu quả hơn. Xem thêm thông tin về tủ điện công nghiệp tại https://btb-electric.com/vi/ung-dung/.

Nội dung được phát triển bởi đội ngũ truonglehongphong.edu.vn với mục đích chia sẻ và tăng trải nghiệm khách hàng. Mọi ý kiến đóng góp xin vui lòng liên hệ tổng đài chăm sóc: 1900 0000 hoặc email: hotro@truonglehongphong.edu.vn

Để lại một bình luận

Email của bạn sẽ không được hiển thị công khai. Các trường bắt buộc được đánh dấu *