Nội dung bài viết
Lọc sóng hài rất cần thiết cho hệ thống điện nếu muốn nó hoạt động ổn định lâu dài, đặc biệt là trong các hệ thống điện có nhiều phụ tải. Các phương pháp lọc sóng hài kèm theo lợi ích và rủi ro sẽ được KTH ELECTRIC giới thiệu đến bạn trong bài viết sau.
Tác động tiêu cực của sóng hài
Các tải phi tuyến như máy hàn, lò hồ quang, bộ sạc ắc quy, bộ biến tần, nguồn điện dự phòng UPS,… tạo ra dòng điện hài hòa trên dòng điện và trên điện áp thông qua trở kháng hệ thống. Sóng hài dòng điện ảnh hưởng xấu đến các thiết bị mắc nối tiếp với nguồn sóng hài và sóng hài điện áp ảnh hưởng xấu đến các thiết bị mắc song song.

Ảnh hưởng kỹ thuật
Dòng điện hài làm biến dạng điện áp hệ thống. Mức độ biến dạng phụ thuộc vào điện kháng của hệ thống. Thông thường, điện kháng của hệ thống khá nhỏ nên sóng hài điện áp nhỏ hơn nhiều so với sóng hài dòng điện.
Sóng hài làm cho giá trị RMS của dòng điện tăng lên, gây mất công suất tác dụng P và làm hệ thống quá tải. Dòng điện RMS càng cao thì tổn thất của các thiết bị mắc nối tiếp với nguồn sóng hài như dây cáp, cầu dao và máy biến áp càng lớn. Nếu trong khu vực có lượng sóng hài lớn thì máy biến áp đầu vào phải tăng công suất dự phòng, làm tăng chi phí đầu tư thiết bị.

Dòng điện hài có thể làm biến dạng điện áp hệ thống và ngắt các thiết bị của nhà máy như cầu dao và ACB, dẫn đến mất điện. Dòng điện qua tụ CPSK có thể tăng lên, cộng hưởng sóng hài có thể làm tụ điện quá tải, sinh nhiệt và có thể làm cháy hoặc nổ tụ điện.
Tác động kinh tế
Sóng hài làm hư hỏng các thiết bị điện và khiến doanh nghiệp vừa phải tìm phương pháp lọc sóng hài, vừa tìm giải pháp bảo vệ các thiết bị điện, dẫn đến chi phí đầu tư cho hệ thống điện tăng cao. Cụ thể, ảnh hưởng của sóng hài đến túi kinh doanh như sau:
- Gây quá tải hệ thống, làm giảm hiệu suất thiết bị
- Tổn thất năng lượng, lãng phí điện năng vận hành
- Nguy cơ mất điện, gián đoạn công việc
- Giảm tuổi thọ của các thiết bị điện
Tổng độ méo hài (THD) là chỉ số đo mức độ méo của tín hiệu AC. Biến dạng điện áp THDu được sử dụng cho cấp độ hệ thống và biến dạng THDi hiện tại được sử dụng cho cấp độ thiết bị.
=>> Đọc thêm: Ý nghĩa biến dạng sóng hài tổng THD trong hệ thống điện
Phương pháp lọc sóng hài cho dàn tụ điện
KTH ELECTRIC giới thiệu 5 phương pháp xử lý sóng hài được sử dụng rộng rãi hiện nay gồm dùng tụ nối tiếp, dùng biến áp cách ly, dùng bộ chỉnh lưu 12 xung, dùng bộ lọc sóng hài thụ động và dùng bộ lọc sóng hài chủ động.
Sử dụng lò phản ứng nối tiếp
Sử dụng cuộn kháng nối tiếp được coi là phương án phổ biến nhất để lọc sóng hài. Cuộn kháng được mắc nối tiếp với tải phi tuyến (ví dụ, bộ biến tần), làm tăng tổng điện kháng từ nguồn đến tải. Sau đó, lò phản ứng sẽ giảm sóng hài và hấp thụ các mức quá điện áp nguy hiểm có thể khiến biến tần bị ngắt.

Phản ứng của lò phản ứng phụ thuộc vào tải. Ví dụ, một cuộn kháng 6% mắc nối tiếp với tải chỉ sử dụng 50% dòng tải định mức thì điện kháng hiệu dụng của cuộn kháng chỉ là 50%, tương đương 3%. Trong nhiều trường hợp, điện kháng nguồn thấp hơn nhiều so với tải. Vì vậy, dù tải thấp nhưng tổng điện kháng của lò phản ứng và tải vẫn lớn hơn nguồn. Hầu hết các lò phản ứng nối tiếp có điện kháng nằm trong khoảng từ 3% đến 6%. Trường hợp lượng sóng hài lớn vẫn cần bổ sung thêm bộ lọc sóng hài.
Sử dụng máy biến áp cách ly (máy biến áp định mức K)
Điện kháng của máy biến áp đủ nhỏ để cho dòng điện 50Hz đi qua và tỷ lệ thuận với tần số hài. Như vậy, có thể coi máy biến áp cách ly có chức năng tương tự như một cuộn kháng nối tiếp. Cùng với đó, giữa cuộn sơ cấp và thứ cấp của máy biến áp cách ly có một màn chắn tĩnh điện.

Giữa màn hình và cuộn dây có một điện dung ký sinh tạo ra đường điện kháng thấp có thể làm giảm tiếng ồn. Nếu máy biến áp cách ly được lắp đặt theo sơ đồ đấu nối tam giác (sơ cấp) – sao (thứ cấp) để nâng cao chất lượng điện năng. Để tăng hiệu suất giảm sóng hài, máy biến áp cách ly hoặc cuộn kháng nối tiếp cần chịu được dòng tải định mức và tính toán điện kháng trên dòng điện và điện áp định mức.
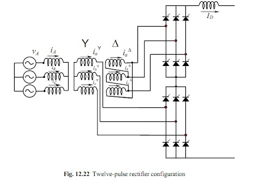
Sử dụng bộ chỉnh lưu 12 xung
Chỉnh lưu 12 xung là một giải pháp khá hiệu quả để giảm thiểu sóng hài. Phương pháp này sử dụng 6 cặp bộ chỉnh lưu silicon chia thành 2 nhóm, mỗi nhóm có 3 cặp. Các bộ chỉnh lưu silicon trong mỗi nhóm được kích hoạt tuần tự, tạo ra dạng sóng điện gần giống với sóng hình sin. Kể từ đó, hàm lượng sóng hài dòng điện và sóng hài điện áp đã giảm đáng kể.

So với các phương pháp chỉnh lưu truyền thống như chỉnh lưu 6 xung, chỉnh lưu 12 xung đạt hiệu quả vượt trội. Tuy nhiên, phương pháp này triển khai phức tạp hơn, tốn kém hơn và chiếm diện tích lớn hơn.
Sử dụng bộ lọc sóng hài thụ động
Bộ lọc sóng hài không trình tự (ZSF) nhằm mục đích giảm hoặc loại bỏ các sóng hài không trình tự nhờ máy biến áp quấn ngoằn ngoèo, đạt hiệu suất lọc khoảng 60%~95%. Bộ lọc thụ động là phương pháp lọc sóng hài đơn giản nhất, có thể được điều chỉnh để chỉ lọc một dải tần số hài cố định. Cấu trúc bộ lọc bao gồm các phần tử cuộn kháng, tụ điện và điện trở được kết hợp để điều khiển sóng hài.

Nếu muốn đạt được tỷ lệ lọc hài cao nhất, người thiết kế bộ lọc thụ động cần nắm vững thiết kế điện kháng, cộng hưởng và tần số của các phần tử bên trong hệ thống. Sự thay đổi tần số hệ thống hoặc lỗi trong bộ lọc sẽ ảnh hưởng trực tiếp đến hiệu quả lọc sóng hài. Xu hướng chung trong tương lai là các bộ lọc thụ động sẽ dần bị thay thế do không đáp ứng được các tiêu chuẩn kỹ thuật và kém thích ứng khi hệ thống thay đổi.
Sử dụng bộ lọc sóng hài tích cực
Lọc sóng hài chủ động là giải pháp lọc sóng hài hiện đại nhất hiện nay, đạt hiệu suất lọc khoảng 80% ~ 95%. Các bộ lọc này có thể được tích hợp vào bộ chỉnh lưu của các thiết bị như bộ biến tần, UPS hoặc một số thiết bị điện khác.

Bộ lọc hoạt động tách dòng cơ bản 50Hz khỏi tín hiệu đo, phân tích các thành phần tần số còn lại và đưa vào dòng bù để triệt tiêu từng bước sóng hài. Bộ lọc này có khả năng lọc sóng hài bậc 50 và đạt hiệu suất lọc sóng hài từ 95% trở lên.
Các bộ lọc điều hòa chủ động có khả năng đáp ứng nhanh, thích ứng với các biến đổi của hệ thống mà không làm giảm hiệu suất lọc như các bộ lọc thụ động. Đồng thời, bộ lọc cho phép người dùng dễ dàng mở rộng công suất mà không cần phải tính toán lại các thông số kỹ thuật.
Sử dụng máy biến áp hoặc biến tần để giảm sóng hài
Khi sử dụng máy biến áp giảm sóng hài, sóng hài bậc 3 được tính toán lại và lọc đến mức phù hợp với tải. Máy biến áp này có thể giúp giảm công suất hệ thống, từ đó giảm mức tiêu thụ năng lượng và điện áp đỉnh. Phương pháp này có chi phí đầu tư từ trung bình đến thấp so với các phương pháp khác. Tuy nhiên, cần đánh giá đầy đủ sóng hài của các thiết bị thượng nguồn và hạ lưu. Ngoài ra, có thể sử dụng biến tần tạo sóng hài thấp, công nghệ khử sóng hài không cần bộ lọc ngoài hay máy biến áp đa xung có THDi.
Lợi ích sau khi lọc sóng hài
Giảm sóng hài đồng nghĩa với việc giảm tác hại mà loại sóng này gây ra, bao gồm cả thiệt hại về mặt kỹ thuật và chi phí kinh tế.
Giảm chi phí đầu tư tài sản cố định (CAPEX)
Tiết kiệm Capex luôn là ưu tiên hàng đầu của các nhà đầu tư hệ thống điện, trong đó việc giảm sóng hài là giải pháp tiết kiệm đáng kể. Lọc sóng hài làm giảm giá trị RMS trên hệ thống, từ đó giảm kích thước dây và công suất của các thiết bị điện, tiết kiệm chi phí đầu tư và vận hành hệ thống.
Giảm chi phí vận hành liên tục (OPEX)
Giảm sóng hài giúp giảm tổn thất điện năng trong máy biến áp, thiết bị điện và thiết bị đóng cắt. Ngoài ra, khả năng lọc sóng hài hiệu quả giúp giảm mức tiêu thụ điện năng, dẫn đến giảm chi phí vận hành hệ thống và giảm hóa đơn tiền điện tới 10%.
Tăng hiệu quả kinh doanh
Sóng hài là tác nhân làm tăng RMS của dòng điện, dẫn đến tổn thất điện năng và tăng nhiệt trong máy biến áp, dây cáp, động cơ, tụ điện, thiết bị chuyển mạch, v.v. Tình trạng kéo dài này có thể gây ra lỗi mạch cắt, rơle, v.v., làm giảm tuổi thọ của các thiết bị này (động cơ quá nóng khoảng 10°C sẽ giảm tuổi thọ tới 50%). Lọc sóng hài giúp hạn chế hư hỏng, tiết kiệm đáng kể chi phí bảo trì thiết bị và thay thế thiết bị mới.
KTH ELECTRIC vừa giới thiệu đến các bạn 5 phương pháp lọc sóng hài được sử dụng phổ biến hiện nay cùng với đánh giá về hiệu quả của từng phương pháp. Trong số các phương pháp trên, chúng tôi đặc biệt khuyên dùng bộ lọc sóng hài chủ động vì hiệu quả vượt trội và hiệu suất đầu tư dài hạn tối ưu. Bạn có thể tham khảo giải pháp này thông qua các sản phẩm của chúng tôi: AHF – BTB Bộ lọc sóng hài tích cực điện.

Nội dung được phát triển bởi đội ngũ truonglehongphong.edu.vn với mục đích chia sẻ và tăng trải nghiệm khách hàng. Mọi ý kiến đóng góp xin vui lòng liên hệ tổng đài chăm sóc: 1900 0000 hoặc email: hotro@truonglehongphong.edu.vn