Nội dung bài viết
Điện công nghiệp là hệ thống điện chuyên dùng phục vụ hoạt động sản xuất, kinh doanh và vận hành trong lĩnh vực công nghiệp. Vậy khái niệm điện công nghiệp là gì, lịch sử phát triển, vai trò và cách phân biệt nó với điện dân dụng, tất cả sẽ được KTH ELECTRIC thông tin trong bài viết.
Điện công nghiệp là gì?
Khái niệm điện công nghiệp
Điện công nghiệp là ngành kỹ thuật liên quan đến việc thiết kế, sản xuất, truyền tải, phân phối, lắp đặt và bảo trì hệ thống điện cho mục đích công nghiệp. Điện công nghiệp còn được hiểu là hệ thống điện được sử dụng trong các cơ sở sản xuất, nhà máy, khu công nghiệp. Hệ thống này bao gồm các thiết bị, máy móc, đường dây truyền tải điện, hệ thống điều khiển và tự động hóa.

Điện công nghiệp có vai trò quan trọng trong nền kinh tế hiện đại, góp phần thúc đẩy phát triển kinh tế, nâng cao chất lượng cuộc sống cũng như góp phần phát triển các ngành công nghiệp khác.
Lịch sử phát triển điện công nghiệp
Khái niệm điện lần đầu tiên xuất hiện trong một phản ứng hóa học diễn ra trong pin điện phân do nhà vật lý Alessandro Volta phát minh vào năm 1800, tuy nhiên, phương pháp sản xuất điện này khá tốn kém.
Năm 1831, Michael Faraday phát minh ra máy tạo ra điện từ vòng quay, nhưng phải mất gần 50 năm công nghệ này mới đạt đến mức khả thi về mặt thương mại.
Đầu năm 1882, Thomas Edison thành lập nhà máy điện chạy bằng hơi nước đầu tiên trên thế giới ở London để cung cấp điện cho một bộ phận dân cư địa phương. Nhà máy này cung cấp dòng điện một chiều chủ yếu.

Vào cuối những năm 1880, hệ thống điện xoay chiều xuất hiện ở Châu Âu và Hoa Kỳ, khiến việc phân phối điện trên những khoảng cách xa trở nên tiết kiệm hơn. Đây cũng là cơ sở để phát triển hệ thống điện xoay chiều ngày nay.
Trên thực tế, việc phân phối điện thương mại bắt đầu từ năm 1882 khi điện được sản xuất để chiếu sáng. Tuy nhiên, đến giữa thế kỷ 20, điện được coi là “độc quyền tự nhiên”, được quản lý, điều tiết bởi một số ít doanh nghiệp từ sản xuất, phân phối đến bán lẻ và chịu sự giám sát của nhà nước.
Ký hiệu và sơ đồ mạch điện công nghiệp
Trong điện công nghiệp, các thiết bị điện hoặc nhóm thiết bị điện có chức năng tương tự nhau sẽ được thay thế bằng các ký hiệu ngắn gọn để sử dụng trong bản vẽ thiết kế mạch điện.
Ký hiệu chữ cái thường thấy trong các mạch điện công nghiệp
| KHÔNG | Biểu tượng | Nghĩa | 
| 1 | đĩa CD | Bộ ngắt mạch | 
| 2 | CB, Ap | Thiết bị chuyển mạch
 Aptomat  | 
| 3 | CC | Cầu chì | 
| 4 | K | Công tắc tơ, khởi động từ
 Công tắc trong sơ đồ chiếu sáng  | 
| 5 | Ô; OD | Ổ cắm điện | 
| 6 | D | Đèn – trong sơ đồ điện chiếu sáng
 Động cơ điện một chiều  | 
| 7 | Trường cao đẳng | Chuông điện | 
| 8 | BD | Bếp điện, lò nướng điện | 
| 9 | Phán quyết | Quạt điện | 
| 10 | MB | Bơm | 
| 11 | DC | Động cơ điện nói chung | 
| 12 | CK | Cuộn dây điện trở | 
| 13 | DKB | Động cơ không đồng bộ | 
| 14 | DDB | Động cơ đồng bộ | 
| 15 | F | Máy phát điện một chiều, gọi chung là máy phát điện | 
| 16 | FKB | Máy phát điện không được đồng bộ | 
| 17 | M, BẬT | Nút bắt đầu | 
| 18 | D, TẮT | Nút dừng | 
| 19 | KC | Bộ điều khiển, đòn bẩy cơ khí | 
| 20 | RN | Rơle nhiệt | 
| 21 | Rth | Rơle thời gian (bộ đếm thời gian) | 
| 22 | RU | Rơle điện áp | 
| 23 | RI | Rơle hiện tại | 
| 24 | RTr | Rơle trung gian | 
| 25 | RTT | Rơle bảo vệ thiếu từ trường | 
| 26 | RTD | Rơle tốc độ | 
| 27 | KH | Công tắc giới hạn | 
| 28 | FH | Phanh điện từ | 
| 29 | NC | Nam châm điện | 
| 30 | BDT | Bàn điện từ | 
| 31 | V. | Van thủy lực, van cơ khí | 
| 32 | MC | Máy cắt điện trung thế và cao thế | 
| 33 | MCP | Máy cắt đoạn đường | 
| 34 | DCL | Dao cách ly | 
| 35 | DND | Dao nối đất | 
| 36 | FCO | Cầu chì tự rơi | 
| 37 | BA, BT | Máy biến áp | 
| 38 | CS | Thiết bị chống sét | 
| 39 | T | Thanh cái áp suất cao và áp suất thấp
 Máy biến áp  | 
| 40 | D; DZ | Điốt; Điốt Zener | 
| 41 | C | tụ điện | 
| 42 | R | Điện trở | 
| 43 | RT | Khả năng chịu nhiệt | 
Danh sách các ký hiệu điện công nghiệp cơ bản nhất trong bản vẽ
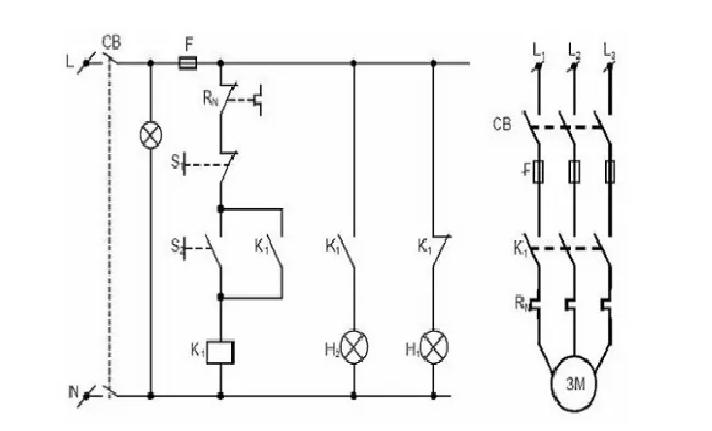
Sơ đồ mạch công nghiệp đơn giản

Đối chiếu với ký hiệu ghi của các thiết bị và ký hiệu trong hình vẽ trên, bạn sẽ xác định được chức năng, mối quan hệ của các bộ phận trong sơ đồ và cách thức kết nối chi tiết.
Quy định và tiêu chuẩn điện công nghiệp

Tại Canada, các tiêu chuẩn an toàn cho hệ thống điện dùng trong công nghiệp được Hiệp hội Tiêu chuẩn Canada (CSA) thiết lập và duy trì. Đặc biệt, CSA quy định các yêu cầu an toàn cụ thể đối với thiết bị điện được sử dụng ở những nơi nguy hiểm, các yêu cầu về an toàn điện khi làm việc xung quanh khu vực có điện áp cao và các yêu cầu đối với công việc xây dựng và phá dỡ điện.
Tại Hoa Kỳ, các tiêu chuẩn an toàn điện do OSHA quy định, bao gồm các tiêu chuẩn lắp đặt, bảo trì và chứng chỉ đào tạo an toàn điện cho công nhân làm việc trong ngành điện.
Tại Việt Nam, các tiêu chuẩn về kỹ thuật điện và an toàn điện do Tập đoàn Điện lực Việt Nam quy định.
Quy trình vận hành điện công nghiệp
Hoạt động của ngành điện được chia thành 4 giai đoạn:
Sản xuất điện
Điện năng tiêu thụ không có sẵn trong tự nhiên mà cần được sản xuất và chuyển hóa từ các dạng năng lượng khác thành điện năng. Việc sản xuất điện được thực hiện tại các nhà máy bằng máy phát điện cơ, chủ yếu được dẫn động bằng động cơ nhiệt đốt hoặc phân hạch hạt nhân, động năng của dòng nước và gió. Các nguồn năng lượng khác bao gồm quang điện mặt trời và năng lượng địa nhiệt.
Truyền tải điện
Truyền tải điện là quá trình di chuyển năng lượng điện từ nơi phát điện đến trạm biến áp thông qua mạng truyền tải gồm các đường dây đấu nối. Ở một số nước, mạng lưới này được gọi là Lưới điện Quốc gia.

Phân phối điện
Đây là công đoạn cuối cùng trong quá trình cung cấp điện, có nhiệm vụ đưa điện từ hệ thống truyền tải đến từng khu vực tiêu thụ.
Các trạm biến áp kết nối với hệ thống truyền tải và hạ điện áp xuống mức trung bình từ 2kV đến 35kV bằng máy biến áp. Đường dây phân phối sẽ mang điện áp trung bình này đến các máy biến áp đặt ở chân khu vực tiêu thụ. Máy biến áp lại hạ điện áp xuống mức điện áp phù hợp cho sử dụng công nghiệp hoặc gia đình.
Bán lẻ điện
Đây là lần bán điện cuối cùng từ nhà sản xuất đến người tiêu dùng cuối cùng.
Vai trò của điện công nghiệp
Cung cấp năng lượng cho sản xuất và dịch vụ
Điện là động lực cho máy móc, thiết bị hoạt động trong các nhà máy, nhà xưởng. Đây còn là nguồn năng lượng cho máy móc công nghiệp và thiết bị điện tử, giúp tăng hiệu quả lao động và tiết kiệm chi phí sản xuất.
Phát triển cơ sở hạ tầng
Điện công nghiệp đảm bảo nguồn điện và hệ thống truyền tải điện hoạt động ổn định phục vụ các hoạt động công nghiệp, nông nghiệp, thương mại và dân dụng. Điện công nghiệp còn góp phần xây dựng các công trình giao thông, cơ sở y tế, giáo dục, văn hóa.
Tiến bộ công nghệ
Điện công nghiệp là ngành tiên phong ứng dụng các công nghệ mới như IoT (Internet of Things), AI (Trí tuệ nhân tạo), VR (Thực tế ảo) và AR (Thực tế tăng cường) vào sản xuất và đời sống.

Tích hợp năng lượng tái tạo
Điện công nghiệp là nhân tố then chốt giải quyết vấn đề an ninh năng lượng, đồng thời cũng là nhân tố quan trọng trong việc phát triển và ứng dụng các nguồn năng lượng mới và tái tạo, góp phần phát triển bền vững.
Phân biệt điện công nghiệp và điện dân dụng
| Tiêu chuẩn | Điện công nghiệp | Điện dân dụng | 
| Điện áp | 380V | 220V (quy định tại Việt Nam) | 
| Mục đích sử dụng | Điện công nghiệp được sử dụng trong các nhà máy, xí nghiệp, cơ sở sản xuất để vận hành các thiết bị, máy móc công suất lớn. | Điện dân dụng được sử dụng để vận hành các thiết bị công suất nhỏ phục vụ sinh hoạt gia đình | 
| Mức độ an toàn | Dễ bắt lửa nếu xảy ra lỗi trong quá trình lắp đặt | Khả năng cháy thấp | 
| Độ phức tạp | Gồm 3 dây nóng và 1 dây lạnh, có cấu tạo tương tự như 3 đường dây điện một pha chạy song song với 1 dây trung tính chung. | Gồm 2 dây: 1 dây nóng và 1 dây lạnh | 
| Giá | Giá tương đối cao | Giá thấp hơn | 
Những câu hỏi thường gặp về điện công nghiệp
Câu 1: Nhà máy điện công nghiệp đầu tiên trên thế giới có tên là gì?
Trả lời: Trạm đèn điện Edison được xây dựng tại London, là một phần trong dự án của Thomas Edison do Edward Johnson tổ chức vào tháng 1 năm 1882 – được coi là nhà máy điện đốt than công nghiệp đầu tiên trên thế giới.
Câu 2: Hệ thống điện công nghiệp bao gồm những bộ phận nào?
Trả lời: Hệ thống này bao gồm các thiết bị, máy móc, đường dây truyền tải điện, hệ thống điều khiển, tự động hóa trong các nhà máy, khu công nghiệp,…
KTH ELECTRIC đã giới thiệu đến các bạn định nghĩa về điện công nghiệp, vai trò của nó trong đời sống và sản xuất cũng như cách phân biệt điện công nghiệp và điện dân dụng. Cảm ơn bạn đã theo dõi trang web của chúng tôi. Nếu muốn tìm hiểu những kiến thức khác liên quan đến hệ thống điện, bạn có thể truy cập: https://btb-electric.com/vi/tin-tuc/kien-thuc-nganh/kien-thuc-he-thong-dien/.

    
    
            
            
    
    
Nội dung được phát triển bởi đội ngũ truongchuvananhue.edu.vn với mục đích chia sẻ và tăng trải nghiệm khách hàng. Mọi ý kiến đóng góp xin vui lòng liên hệ tổng đài chăm sóc: 1900 0000 hoặc email: hotro@truongchuvananhue.edu.vn