Cách đấu lắp rơ le nhiệt 1 pha và 3 pha chuẩn kỹ thuật

Rơle nhiệt được sử dụng để hạn chế nguy cơ thiết bị điện bị quá tải và ngăn ngừa đoản mạch, cháy nổ. KTH ELECTRIC có bài viết hướng dẫn cách đấu nối rơle nhiệt 1 pha và 3 pha các bạn có thể tham khảo bên dưới.

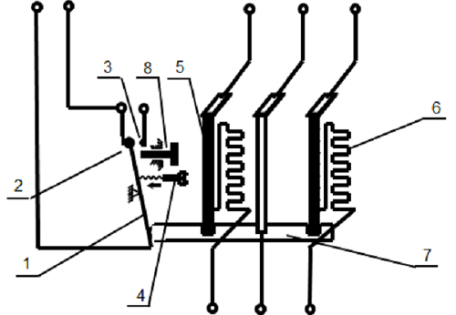
Sơ đồ cấu tạo của rơle nhiệt

Khi đã hiểu sơ đồ cấu tạo rơle nhiệt, bạn sẽ biết được vị trí các chân kết nối của rơle với dây dẫn và contactor. Cấu trúc điển hình của rơle nhiệt như sau:

tạo rơle nhiệt

Giải thích:

  • 1: Đòn bẩy
  • 2: Tiếp điểm thường đóng (NC)
  • 3: Tiếp điểm thường mở (NO)
  • 4: Vít dùng để điều chỉnh dòng điện tác động
  • 5: Thanh lưỡng kim
  • 6: Dây sưởi
  • 7: Đòn bẩy
  • 8: Nút khôi phục (Reset)

Cách lắp đặt rơle nhiệt 3 pha

Rơle nhiệt 3 pha được sử dụng cho mạch điện 3 pha 380V với mục đích bảo vệ các thiết bị điện có công suất lên đến vài nghìn W. Cùng với đó, thiết bị này giám sát hoạt động của hệ thống điện để phát hiện các điểm phát nhiệt cao và tự động ngắt mạch.

Kết nối rơle nhiệt 3 pha dựa trên hai nguyên tắc bảo vệ: nguyên lý điện áp và nguyên lý dòng điện.

Xem thêm  Cầu dao tự động và khởi động từ khác nhau như thế nào?

Cách lắp đặt theo nguyên lý dòng điện

Số cài đặt công tắc sưởi 3 pha theo nguyên lý dòng điện

Trong đó:

  • Ký hiệu MC bên trái là 3 tiếp điểm động của bộ khởi động từ
  • Ký hiệu MC bên phải là tiếp điểm A1 – A2 của cuộn hút (cuộn dây) trong bộ khởi động từ
  • Các vị trí cực R, S, T được nối thành 3 pha
  • Tải là tải (thiết bị được sử dụng)

Tiếp điểm 95 và 98 là hai tiếp điểm NC thường đóng. Khi rơle nhiệt mất pha, 2 tiếp điểm này chuyển thành thường mở NO để ngắt cuộn hút của bộ khởi động từ, đồng thời ngắt 3 tiếp điểm thường mở NO của bộ khởi động từ để ngắt tải tránh hư hỏng.

=>> Đọc thêm: Hướng dẫn điều chỉnh rơle nhiệt trong nhiều trường hợp

Cách lắp đặt theo nguyên lý điện áp

Số là setup công tắc sưởi 3 pha theo nguyên lý điện môi ap

Trong đó:

  • Ký hiệu M là tải trọng
  • Ký hiệu EOCR là rơle bảo vệ mất pha nhiệt
  • Ký hiệu Tr là máy biến áp từ 380V lên 220V. Nếu bạn có nguồn điện 220V thì không cần thiết bị này.
  • Ký hiệu MC bên trái là 3 tiếp điểm động của bộ khởi động từ
  • MC bên phải là tiếp điểm A1 – A2 của cuộn hút (cuộn dây) trong máy khởi động
  • Sử dụng 2 tiếp điểm thường mở NO (98, 95)
  • Cấp A1 – A2 là nguồn kết nối rơle mất pha

Ở 3 cực sẽ dùng 2 dây nguồn đi qua 2 máy biến dòng của rơle nhiệt.

=>> Xem thêm: Cách tính chọn rơle nhiệt theo công suất

Xem thêm  kVAr là gì? Phân biệt kVAr với kVA, kW và kVArh

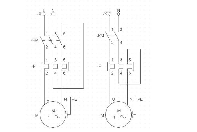
Cách lắp đặt rơle nhiệt 1 pha

Rơle nhiệt 1 pha lắp đặt cho hệ thống điện 1 pha 220V có nhiệm vụ bảo vệ quá nhiệt cho hệ thống và các thiết bị điện dân dụng có công suất thấp. Tuy nhiên, trên thực tế thường không có rơle nhiệt 1 pha mà chỉ có cách nối rơle nhiệt 3 pha với 1 pha cho phù hợp khi chỉ có 2 đầu cuối. Vui lòng tham khảo sơ đồ sau:

Vì vậy cần thiết phải bố trí công tắc sưởi 3 pha sang 1 pha

KTH ELECTRIC vừa hướng dẫn bạn 3 sơ đồ lắp đặt rơle nhiệt 3 pha và 1 pha tiêu chuẩn kỹ thuật. Bạn có thể sử dụng sơ đồ trên để lắp đặt rơle nhiệt cho hệ thống điện của mình. Ngoài ra, bạn có thể đọc thêm các bài viết thông tin về rơle nhiệt cũng như các thiết bị điện khác tại website. Điện BTB.

Nội dung được phát triển bởi đội ngũ truonglehongphong.edu.vn với mục đích chia sẻ và tăng trải nghiệm khách hàng. Mọi ý kiến đóng góp xin vui lòng liên hệ tổng đài chăm sóc: 1900 0000 hoặc email: hotro@truonglehongphong.edu.vn

Để lại một bình luận

Email của bạn sẽ không được hiển thị công khai. Các trường bắt buộc được đánh dấu *