Nội dung bài viết
Việc lắp đặt tủ điện ATS nhằm đảm bảo nguồn điện cho phụ tải được duy trì ổn định ngay cả trong trường hợp nguồn điện chính bị mất điện đột ngột hoặc sụt áp, quá tải,… Tham khảo sơ đồ nguyên lý tủ ATS trong bài viết dưới đây của KTH ELECTRIC.
Nguyên lý hoạt động của tủ ATS
Tủ chuyển đổi nguồn ATS được lắp đặt ít nhất 1 nguồn điện chính (điện lưới) và 1 nguồn điện phụ (máy phát điện) để luôn sẵn sàng chuyển đổi nguồn điện khi có nhu cầu. Nguyên lý hoạt động của sơ đồ tủ ATS xoay quanh việc chuyển đổi giữa các nguồn điện.

Có 2 trường hợp chuyển nguồn điển hình:
- Nguồn điện chính gặp sự cố: Ngắt nguồn điện chính, khởi động nguồn điện phụ và nối nguồn điện phụ vào tải.
- Nguồn điện chính ổn định: Ngắt nguồn điện phụ, nối nguồn điện chính vào tải, để nguồn điện phụ ở chế độ rảnh trong một khoảng thời gian trước khi tắt hoàn toàn.
Thời gian chuyển đổi nguồn trung bình khoảng 5 – 30 giây. Thời gian chạy không tải của nguồn phụ để tránh hư hỏng là khoảng 180 giây.
Các loại sơ đồ đấu nối tủ ATS

Dựa trên nguyên tắc, Tủ công tắc nguồn ATS Với bảng điều khiển điện tử sẽ có 3 loại sơ đồ nối tủ ATS với nguồn điện phụ (máy phát):
- Loại 1 – Kết nối ATS và nguồn phụ qua cổng điều khiển ngoài: Chỉ cần cài đặt chức năng điều khiển từ xa cho chức năng trì hoãn.
- Loại 2 – Kết nối ATS và nguồn phụ qua cổng giao tiếp hiện đại: Lưu ý chỉ kết nối các thiết bị trong tủ ATS với mạng điều khiển nội bộ.
- Loại 3 – Đấu nối nguồn điện trực tiếp vào bảng điều khiển nguồn phụ: Được sử dụng khi bảng điều khiển nguồn phụ có chức năng điều khiển ATS. Mạng kết nối này sử dụng 2 MCCB và 1 phím chéo.
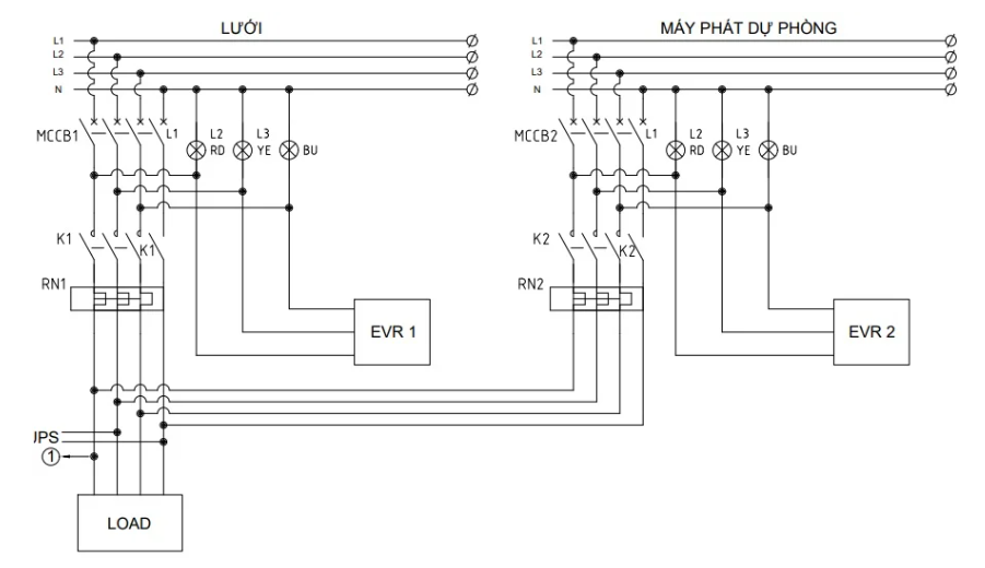
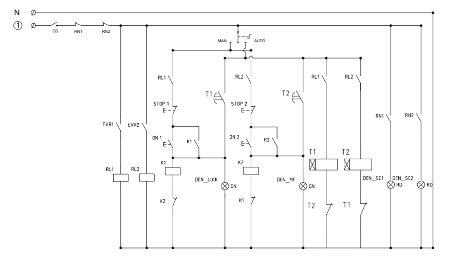
Sơ đồ mạch tủ ATS
Sơ đồ mạch tủ ATS bao gồm 2 phần chính: mạch điều khiển và mạch nguồn. Hai mạch này kết nối với nhau và kết nối từng bộ phận trong mạch tổng thể bao gồm bộ điều khiển ATS, đèn báo, ATS, công tắc điều khiển, thiết bị chuyển mạch, rơle bảo vệ, nguồn điện lưới, máy phát điện,… để tạo thành một hệ thống hoàn chỉnh. Xem hướng dẫn đọc sơ đồ TẠI ĐÂY.
Mạch động lực tủ điện ATS:

Mạch điều khiển tủ điện ATS:

Hệ thống sơ đồ tủ ATS có khả năng tùy biến cao, có nhiều chế độ vận hành đa dạng, có thể mở rộng hoặc thu gọn linh hoạt số lượng nguồn điện chính và phụ. Ngoài ra, hệ thống có thể được nâng cấp để mở rộng tính năng hoặc giảm thời gian truyền tải điện năng. Khi sử dụng nhiều hơn 2 nguồn điện, tủ ATS cần có bộ điều khiển ATS để dễ dàng điều khiển.
Mạch ATS sử dụng contactor đơn giản dành cho gia đình:

=>> Xem thêm: Quy trình vận hành và hướng dẫn sử dụng tủ ATS
KTH ELECTRIC vừa gửi đến các bạn sơ đồ nguyên lý tủ ATS và những lưu ý khi tích hợp tủ ATS vào hệ thống điện. Bạn có thể tìm thêm thông tin về tủ điện ATS, các linh kiện trong tủ hay các hệ thống tủ điện công nghiệp khác ngay trên website https://btb-electric.com/vi/

Nội dung được phát triển bởi đội ngũ truonglehongphong.edu.vn với mục đích chia sẻ và tăng trải nghiệm khách hàng. Mọi ý kiến đóng góp xin vui lòng liên hệ tổng đài chăm sóc: 1900 0000 hoặc email: hotro@truonglehongphong.edu.vn